EasyManua.ls Logo

Valtra 6250 - Page 1291

Valtra 6250
1361 pages
Print Icon
To Next Page IconTo Next Page
To Next Page IconTo Next Page
To Previous Page IconTo Previous Page
To Previous Page IconTo Previous Page
Loading...
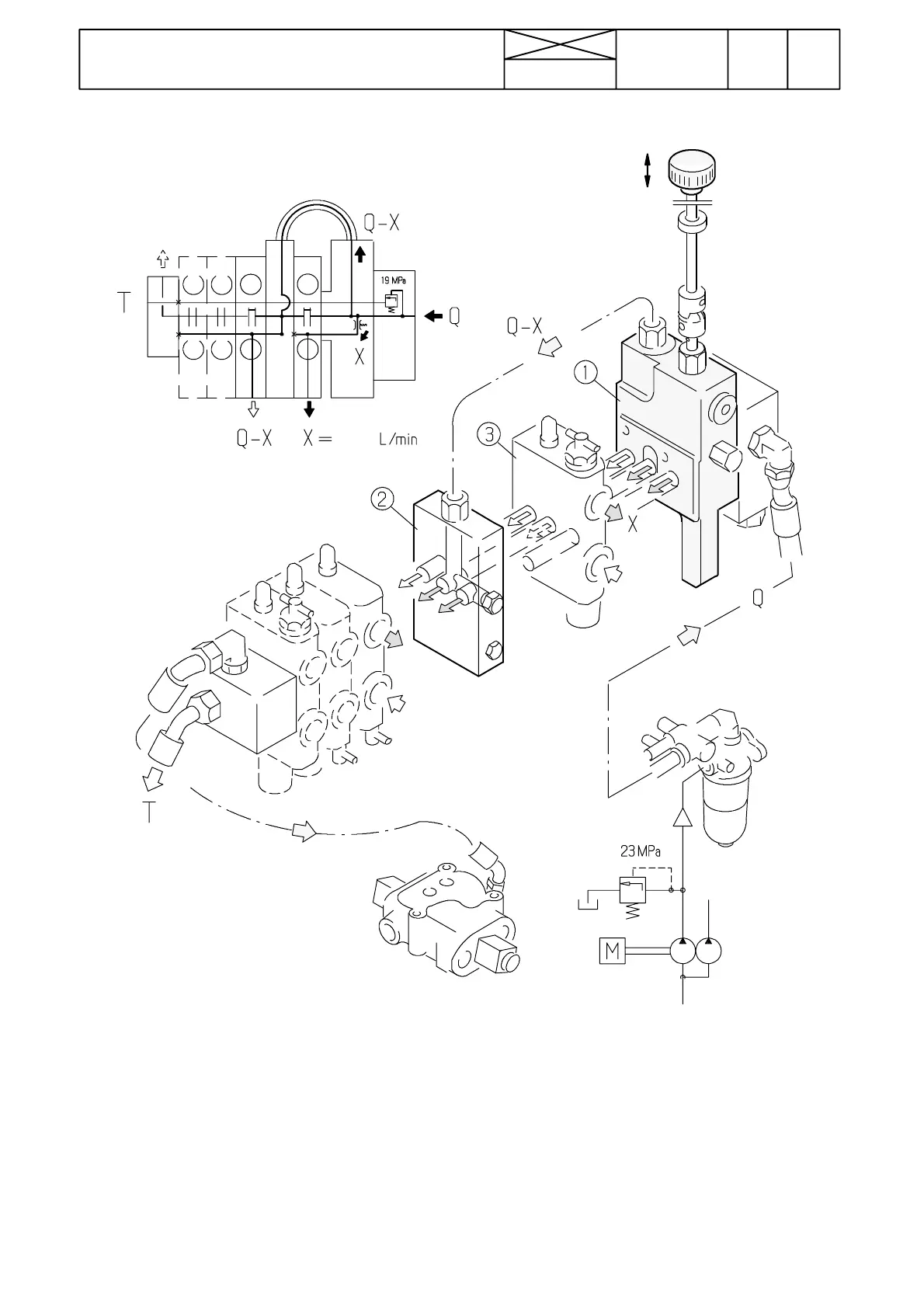
Oil flow control valve
1234
Model Code Page
90. Hydraulic system
1. 1. 1995
6000--8750 910 22
8. 11. 1990
0 --- 40
--- The oil flow control valve makes it possible to use simulta-
neously two hydraulic cylinders, or simultaneous use of po-
wer lift and one auxiliary cylinder.
With the oil flow control valve the oil flow can be adjusted so
that it suits the implement, when maximal flow is not needed
for e.g. speed control of hydraulic motors (togetherwith a spe-
cial valve of the motor).
The oil flow control valve is situated between the pump end
plateandthevalveblock.Theoilflowisadjustedwithaknob
onthesidepanelinthecab.
Note! Two seal kits are available for repairing the oil flow cont-
rol valve no. 32599900: kit no. 32449400 (complete) and kit
no. 33643500 (internal seals).
Functions:
The valve directs the required priority flow (that can be ste-
plessly adjusted from 0 to 40 litres per minute) to the spool val-
ve that is mount ed between the oil flow control valve and the
intermediate plate.
The rest of the flow is directed through an external pipe to the
next, downstream spool valves.
X = pressure channel for the regulated oil flow
Q --- X = the surplus flow to other spool valves
1) Oil flow control valve
2) Intermediate plate
3) The spool valve supplied by the regulated flow (the valve
type is a matter of choice)

Table of Contents

Related product manuals