EasyManua.ls Logo

Valtra 6250 - Page 1323

Valtra 6250
1361 pages
Print Icon
To Next Page IconTo Next Page
To Next Page IconTo Next Page
To Previous Page IconTo Previous Page
To Previous Page IconTo Previous Page
Loading...
1266
Model
No Page
24.02.1999 6000---8750 99.6 2(2)
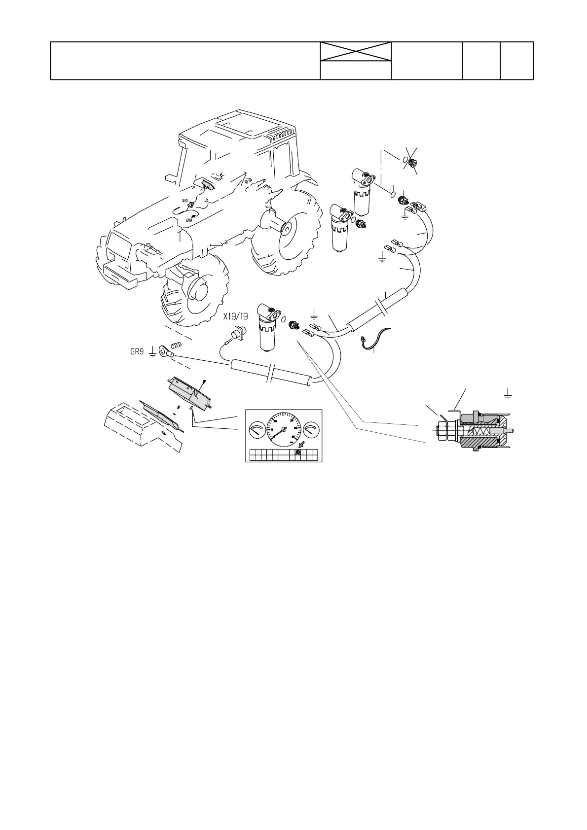
PRESSURE FILTER INDICATION LIGHT, fitting instr.
1
2
Va
Va
3
Va/Vit/White
Mu/Svart/Black
Va
4
1 1 33093900 Indikaattori Indikator Indicator Indikator
2 1 KH4006 O---rengas O---ring O---ring O---Ring
3 1 33766800 Johdinsarja Ledningssats Wiring set Verkabelung
4 5 SA1900 Johdinside Buntband Wiring band Leitungsklemme
1 SH2667 .Lamppu Lampa Bulb Lampe 12V/1,2W

Table of Contents

Related product manuals