EasyManua.ls Logo

Valtra 6250 - Page 166

Valtra 6250
1361 pages
Print Icon
To Next Page IconTo Next Page
To Next Page IconTo Next Page
To Previous Page IconTo Previous Page
To Previous Page IconTo Previous Page
Loading...
159
Model Code Page
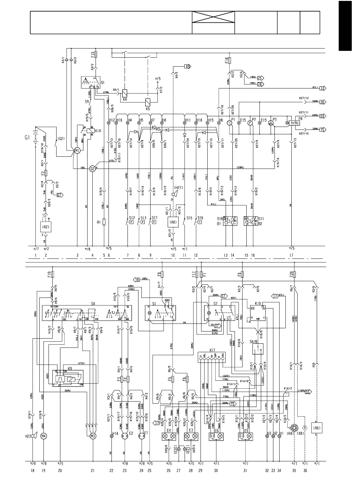
31. Tractor electrical system
8. 11. 1990
6100--8400 310 9
1. 9. 1992

Table of Contents

Related product manuals