EasyManua.ls Logo

Valtra 6250 - Page 186

Valtra 6250
1361 pages
Print Icon
To Next Page IconTo Next Page
To Next Page IconTo Next Page
To Previous Page IconTo Previous Page
To Previous Page IconTo Previous Page
Loading...
179
Model Code Page
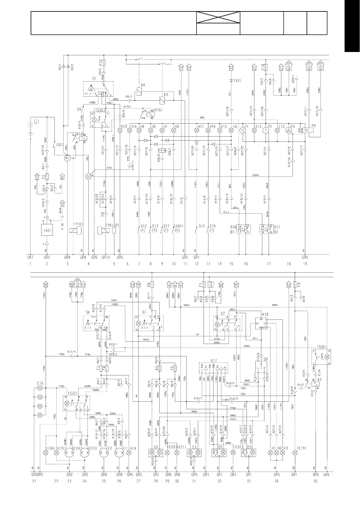
31. Tractor electrical system
15. 5. 1996
6000--8750 310 29
A C D 2 . 1 --- 1 /
A C D 2 . 1 --- 2 / 8
318 716 40D
A C D 2 . 1 --- 1 / 8
A C D 2 . 1 --- 2 / 8

Table of Contents

Related product manuals