EasyManua.ls Logo

Valtra 6250 - Page 195

Valtra 6250
1361 pages
Print Icon
To Next Page IconTo Next Page
To Next Page IconTo Next Page
To Previous Page IconTo Previous Page
To Previous Page IconTo Previous Page
Loading...
188
Model Code Page
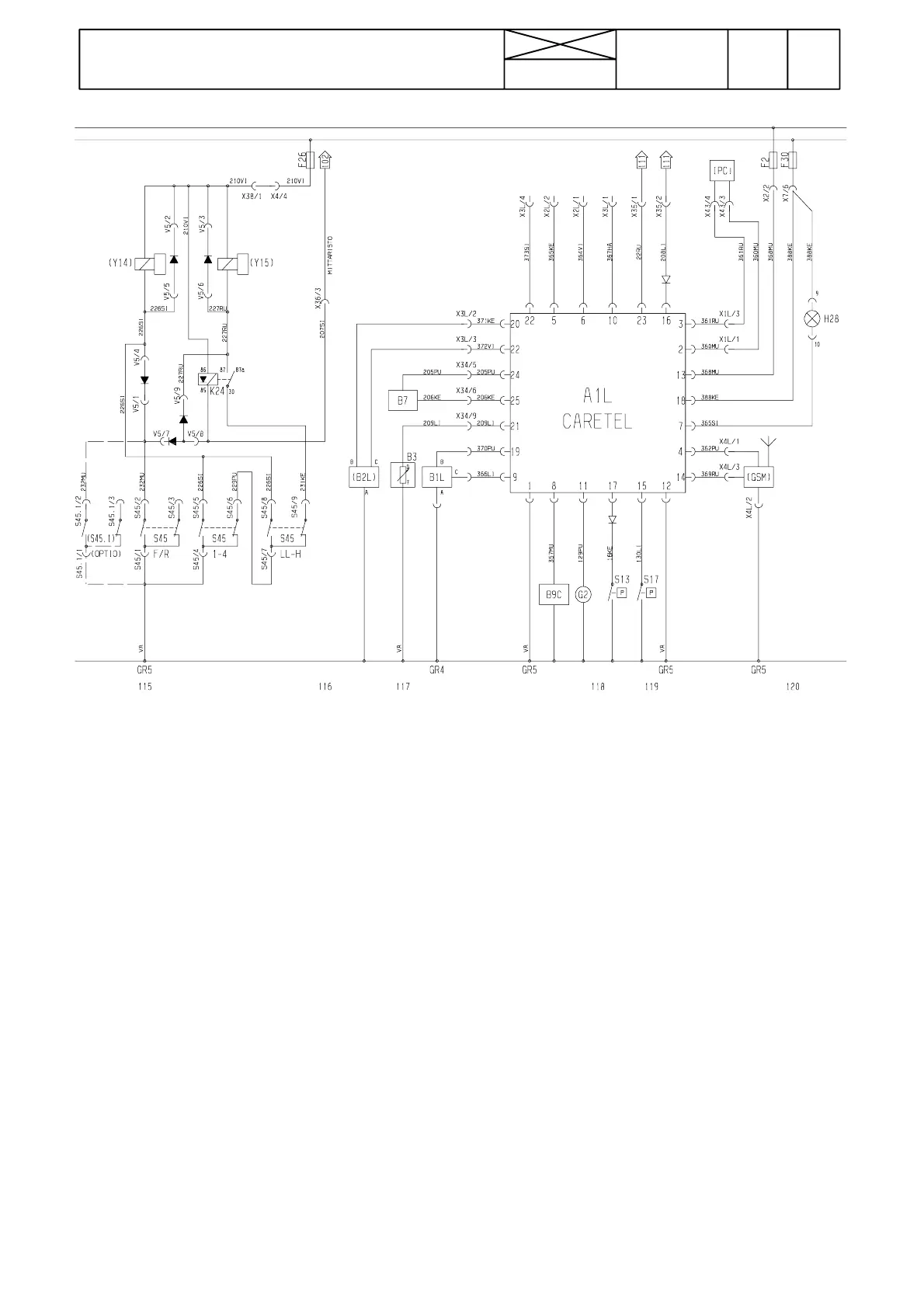
31. Electrical system
1. 4. 1997
6000--8750 310 38
PT97, 9/9

Table of Contents

Related product manuals