EasyManua.ls Logo

Valtra 6250 - Page 315

Valtra 6250
1361 pages
Print Icon
To Next Page IconTo Next Page
To Next Page IconTo Next Page
To Previous Page IconTo Previous Page
To Previous Page IconTo Previous Page
Loading...
286
Model Code Page
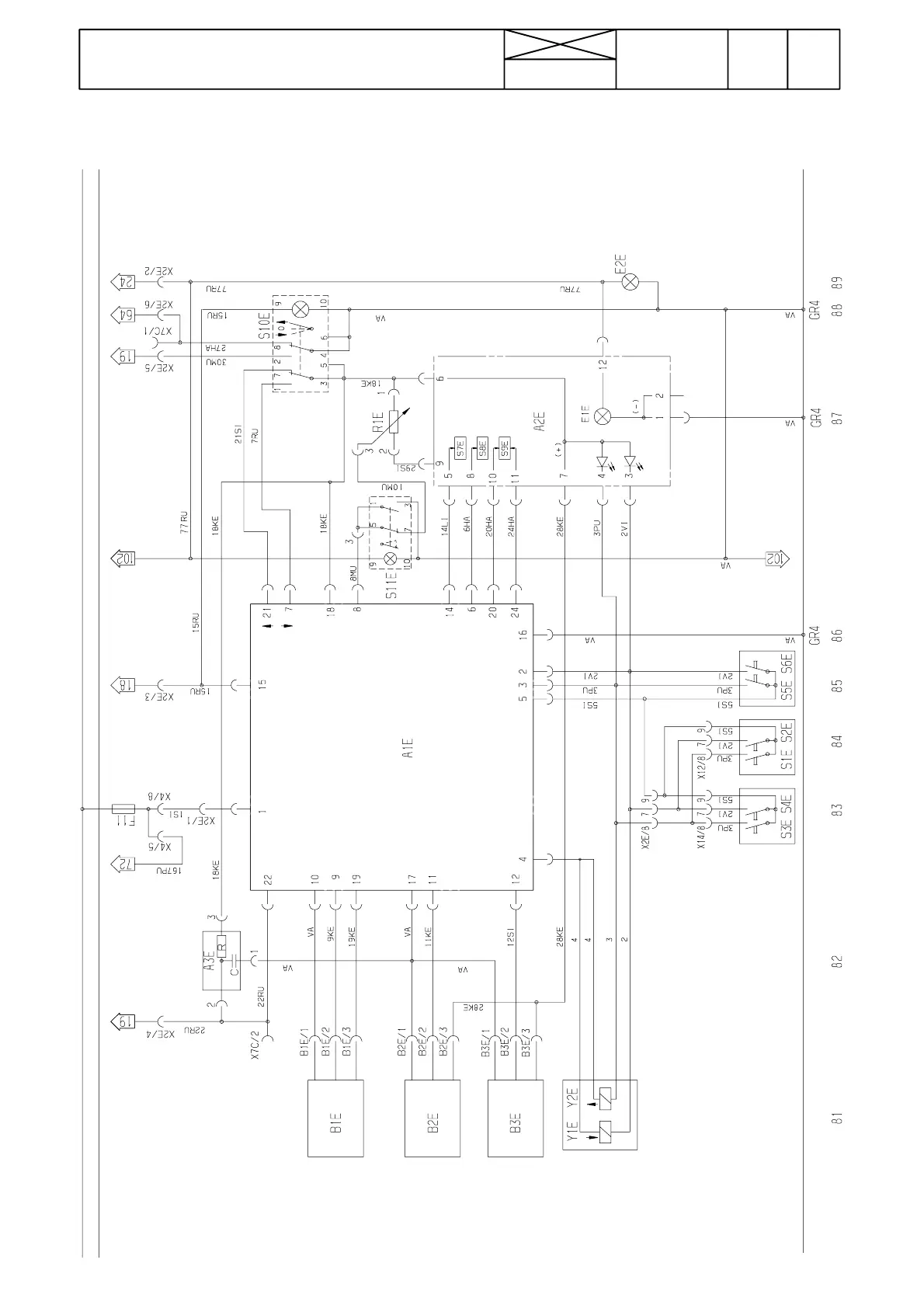
32. Electro---hydraulic power lift
1. 1. 1994
6000--8400 320 3A
Wiring diagram,662343---

Table of Contents

Related product manuals