EasyManua.ls Logo

Valtra 6250 - Page 401

Valtra 6250
1361 pages
Print Icon
To Next Page IconTo Next Page
To Next Page IconTo Next Page
To Previous Page IconTo Previous Page
To Previous Page IconTo Previous Page
Loading...
360
Model Code Page
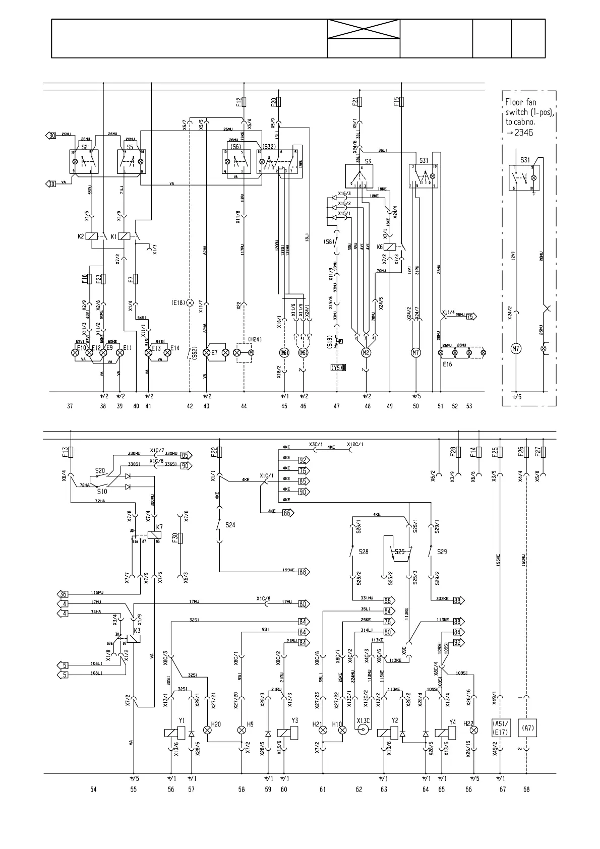
34. Autocontrol ---III
6600E, 8100E 340 14
15. 6. 1992
1. 9. 1992

Table of Contents

Related product manuals