EasyManua.ls Logo

Valtra 6250 - Page 457

Valtra 6250
1361 pages
Print Icon
To Next Page IconTo Next Page
To Next Page IconTo Next Page
To Previous Page IconTo Previous Page
To Previous Page IconTo Previous Page
Loading...
416
Model Code Page
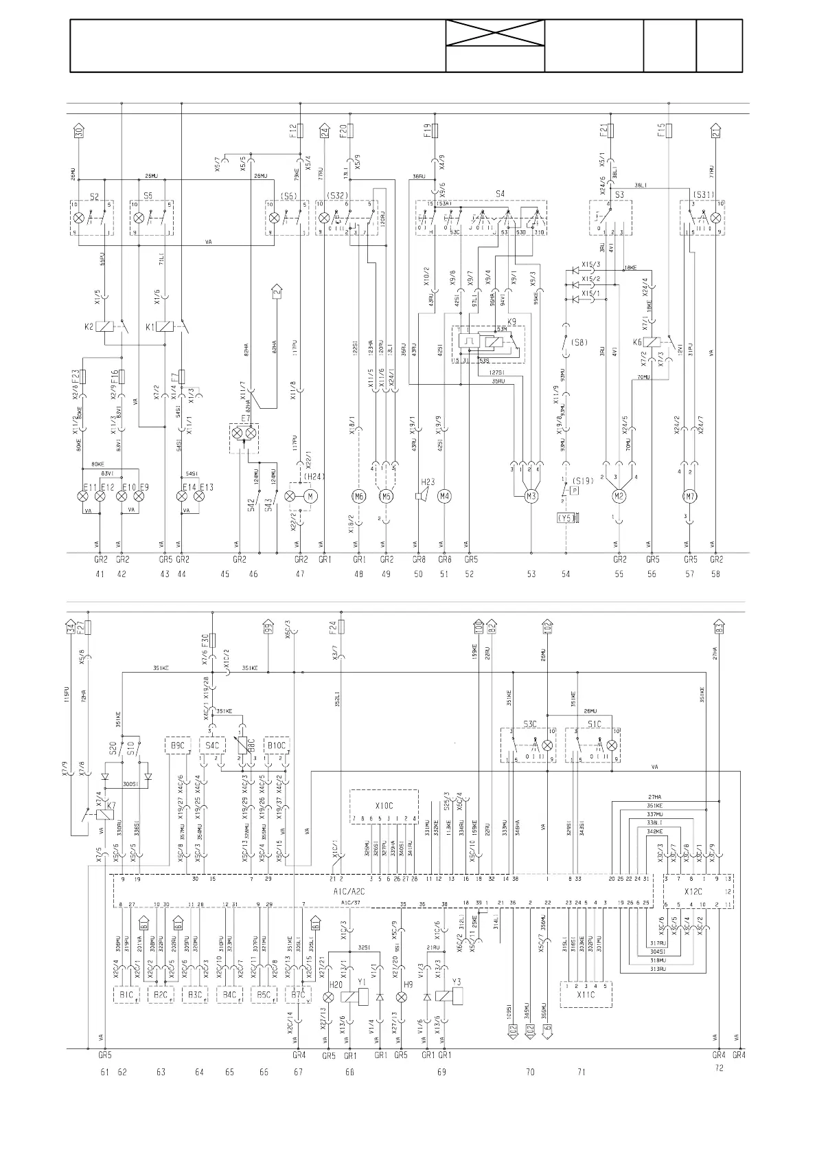
35. Autocontrol IV
1. 4. 1997
6600E-- 8750E
350 32
E3/7
E4/7

Table of Contents

Related product manuals