EasyManua.ls Logo

Valtra 6250 - Page 905

Valtra 6250
1361 pages
Print Icon
To Next Page IconTo Next Page
To Next Page IconTo Next Page
To Previous Page IconTo Previous Page
To Previous Page IconTo Previous Page
Loading...
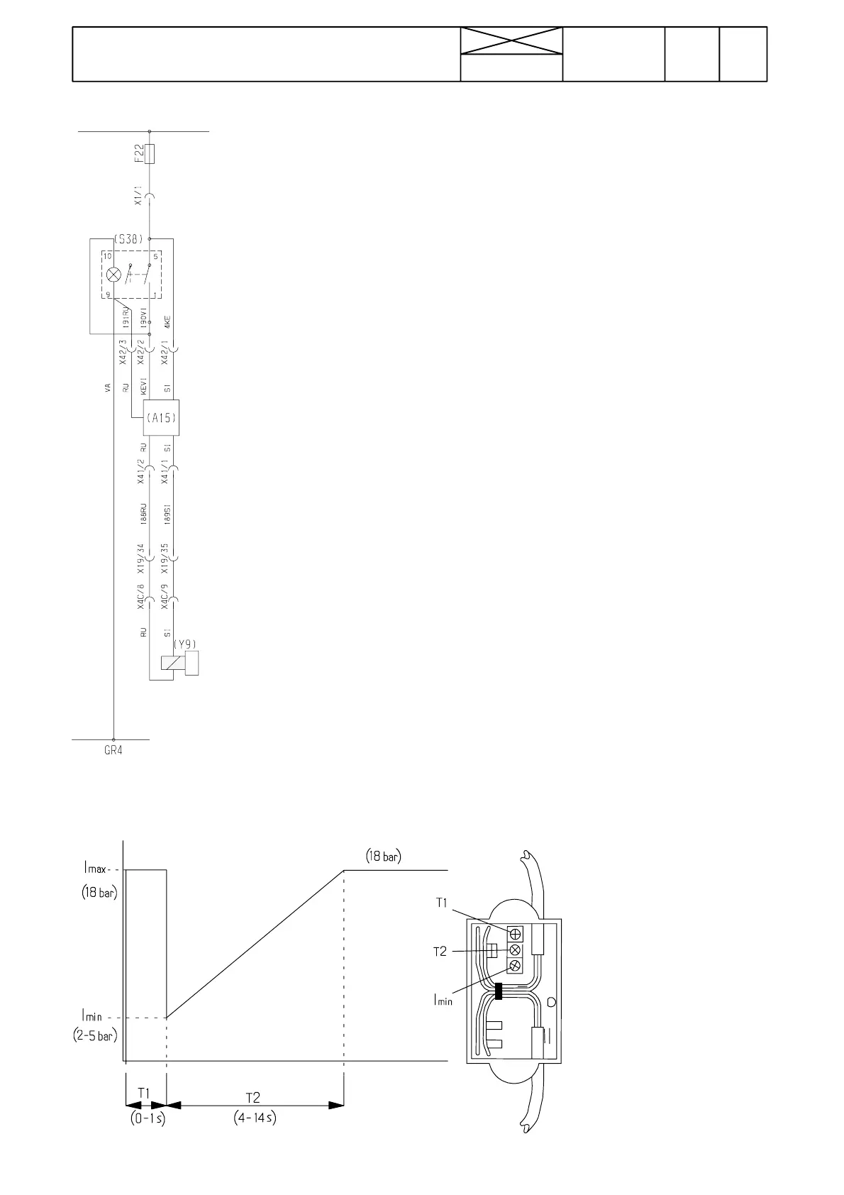
F22 = fuse in the fuse box
S38 = rocker switch on the lever console front part (FRONT PTO)
A15 = electric box (fastened on the relay bracket) in the lever console
Y9 = solenoid valve on the PTO unit front surface (6000---8150) or in
the engine compartment (8450---8750)
Connectors:
X1/1inthefusebox
X42/1, 2, 3 in the cab lever console
X41/1, 2 in the lever console
X19/34, 35 socket in the cab front wall on the RH side
X4C/8 , 9 in the engine compartment front part
GR 4 earthing point in the lever console rear part
Solenoid valve Y9 pins have connector.
B. Fault tracing, 6000---8150 (also 8450---8750)
If the PTO shaft does not start to rotate, altho ugh the switch S38 is
turned to the starting position, the fault can lie in:
--- fuse F22 in the fuse box. Check/change.
--- sol enoid valve (resist ance should be 5,5---7,5 ohms)orinitswires
at which time the solenoid valve does not get voltage in the run-
ning position (check, if voltage (12 V) comes to the valve con-
nector pins. If not, check the switch S38 and its wiring).
--- pump. Remove the pump and check the splined drive sleeve.
6000---8150: Open the pressure valve and clean it and check the
spring and the valve spindle sealing surface). 8450---8750: assure
that the pressure of 1,8 MPa is feed into the solenoid valve and
that a pressure of 1,1 MPa is fed into the c one clutch.
--- worn clutch discs or in leaking piston or solenoid valve seals (the
clutch can slip).
--- too little oil in the PTO housing. Check/add.
Note! If the front PTO does not start progressively, the fault can lie in
the electric box A15 in the cab lever console.
Note! If the front PTO overheats, check the cleanliness of the oil
cooler, condition of the pump, oil amount and condition of the by---
pass valve and the pressure maintaining valve on 6000---8150
Wire colours
Ru=brown
Si=blue
Va=white
Ke=yellow
Kevi=Yellowgreen
852
Model Code Page
46. Front PTO
1. 4. 1997
6000--8150 463 10
C. Adjusting engagement, 6000---8150
(also 8450---8750)
T1= Clutch filling time
T2 = Engaging time
lmin= Start pressure
The values above can be
adjusted by turning the
adjusting screws in the
electric box A15.
Note! The adjustment
has been done in the fac-
tory and readjustment is
normally unnecessary.
Long engaging time
causes excessive clutch
wear.

Table of Contents

Related product manuals