EasyManua.ls Logo

Van Norman FG5000 - Page 75

Van Norman FG5000
82 pages
Print Icon
To Next Page IconTo Next Page
To Next Page IconTo Next Page
To Previous Page IconTo Previous Page
To Previous Page IconTo Previous Page
Loading...
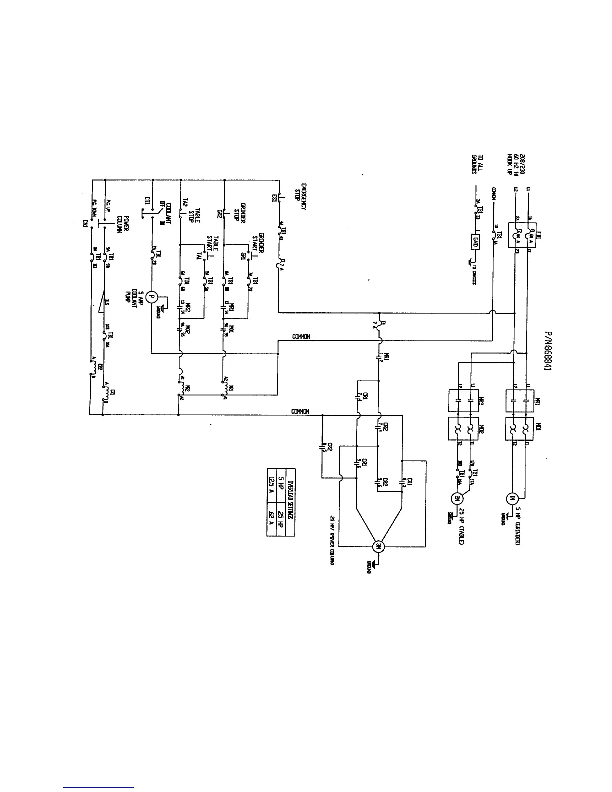
5000/10000 FLYWHEEL GRINDER
WIRING DIAGRAM
MACHINE MODEL NUMBERS
794-8688-41
Van Norman 71. 888-855-1789