EasyManua.ls Logo

Varian ProStar - Page 38

Default Icon
46 pages
Print Icon
To Next Page IconTo Next Page
To Next Page IconTo Next Page
To Previous Page IconTo Previous Page
To Previous Page IconTo Previous Page
Loading...
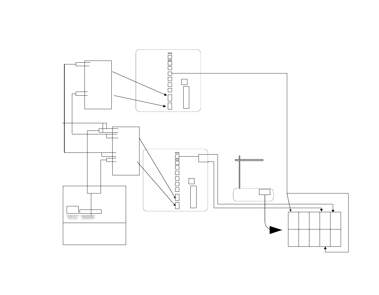
INJECT
ADVANCE
PEAK
A-GND
ANALOG
RACK
EVT MARK
+13VDC
GND
CHASSIS
OUTPUTS INPUTS
12345
ProStar 220/230/240 Pump
(Master), 310 UV Detector, and 400
AutoSampler
ProStar 701
Start In -
Start In +
Ready In -
Ready In +
Fault In -
Fault In +
Gnd
Gnd
J9
Start Out -
Start Out +
Ready Out -
Ready Out +
Fault Out -
Fault Out +
Ready In enable
+5V
J10
Signal Cable
02-001954-00
Position sensing
switch of Rheodyne
manual injector is
connected to Start In
ProStar 220/230/240 Pump
1v
10V (switch)
1mV 10mV (switch)
Data system
output 2AUFS
Chart recorder
Output
Peak sensing relay
Device Address
Relay 1
Relay 2
Relay 3
Relay 4
J9
J10
Syn Signal
Sync cable for
ProStar 400
AutoSampler
0393516201
Start In -
Start In +
Ready In -
Ready In +
Fault In -
Fault In +
Gnd
Gnd
J9
Start Out -
Start Out +
Ready Out -
Ready Out +
Fault Out -
Fault Out +
Ready In enable
+5V
J10
1v
10V (switch)
1mV
10mV (switch)
Data system
output 2AUFS
Chart recorder
Output
Peak sensing relay
Device Address
Relay 1
Relay 2
Relay 3
Relay 4
J9
J10
Syn Signal
Sync Cable Kit
03-91994890
ProStar 310 UV-Detector
CONTROL I/O
COMM
PORT
ProStar 400 AutoSampler
Clear +ve
Black -ve
Detail
38

Related product manuals