EasyManua.ls Logo

Varian ProStar - Page 39

Default Icon
46 pages
Print Icon
To Next Page IconTo Next Page
To Next Page IconTo Next Page
To Previous Page IconTo Previous Page
To Previous Page IconTo Previous Page
Loading...
INJECT
ADVANCE
PEAK
A-GND
ANALOG
RACK
EVT MARK
+13VDC
GND
CHASSIS
OUTPUTS INPUTS
12345
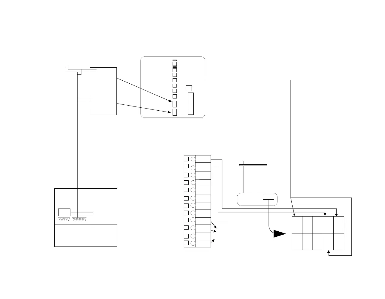
ProStar 220/230/240 Pump (Master), 320
UV Detector, and 400 AutoSampler
ProStar 701
ProStar 320 UV-Detector
back plate
Start In -
Start In +
Ready In -
Ready In +
Fault In -
Fault In +
Gnd
Gnd
J9
Start Out -
Start Out +
Ready Out -
Ready Out +
Fault Out -
Fault Out +
Ready In enable
+5V
J10
Signal Cable
02-001954-00
Position sensing
switch of Rheodyne
manual injector is
connected to Start In
ProStar 220/230/240 Pump
REC HI
REC
LOW
REC
GRD
INT HI
INIT
LOW
INIT
GRD
EXT
WAVE HI
EXT WAVE
LOW
LAMP
ON/OFF
AUTO
ZERO
D GRD
EVENT
MARK
NOTE: Lamp ON/OFF,
autozero can be
connected to Relay 2 & 3
respectively of the
ProStar 220/230/240
pump using the cable
02-001594-00.
1v 10V (switch)
1mV 10mV (switch)
Data system
output 2AUFS
Chart recorder
Output
Peak sensing relay
Device Address
Relay 1
Relay 2
Relay 3
Relay 4
J9
J10
Syn Signal
Sync cable for
ProStar 400
AutoSampler
0393516201
CONTROL I/O
COMM
PORT
ProStar 400 AutoSampler
Clear +ve
Black -ve
Detail
39

Related product manuals