EasyManua.ls Logo

Varme FH-01 - Wiring Diagram

Varme FH-01
20 pages
Print Icon
To Next Page IconTo Next Page
To Next Page IconTo Next Page
To Previous Page IconTo Previous Page
To Previous Page IconTo Previous Page
Loading...
18
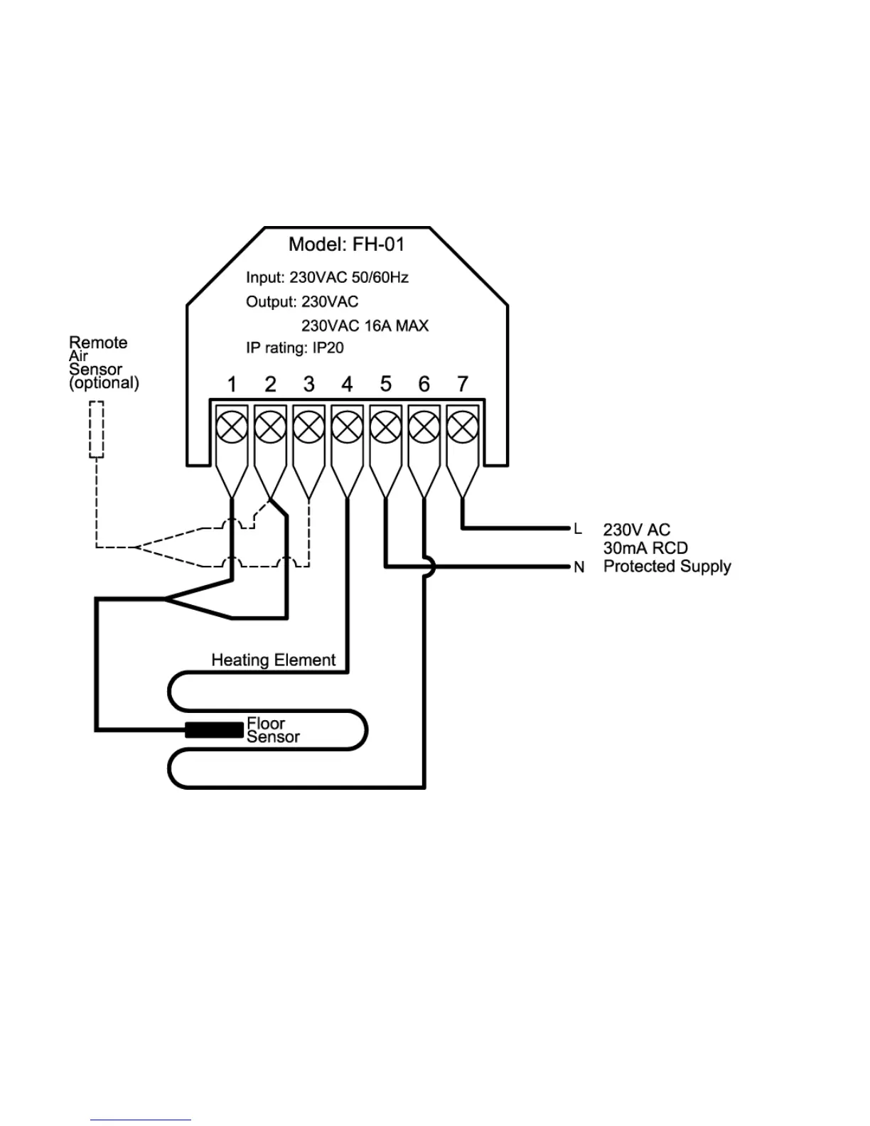
1. Floor Sensor Live
2. Sensor Neutral
3. Remote Air Sensor (Optional)
4. Heating Element Neutral
5. 230V Supply Neutral
6. Heating Element Live
7. 230V Supply Live
nb: generally underfloor heating elements & floor sensors are not
polarity conscious, as such can be connected to the live and neutral
either way round, unless insulation colouring dictates otherwise.