EasyManua.ls Logo

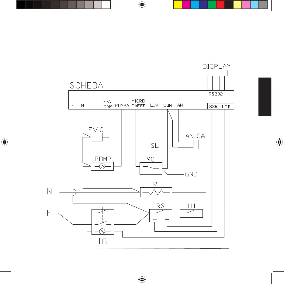
VBM DOMOBAR JUNIOR DIGITAL - Electrical Schematics; Electrical Wiring Diagram

VBM DOMOBAR JUNIOR DIGITAL
36 pages
Print Icon
To Next Page IconTo Next Page
To Next Page IconTo Next Page
To Previous Page IconTo Previous Page
To Previous Page IconTo Previous Page
Loading...
33
ENG
12,
ELECTRICAL SCHEME.

Related product manuals