EasyManua.ls Logo

vc999 K5 - Circuit diagrams

vc999 K5
55 pages
Print Icon
To Next Page IconTo Next Page
To Next Page IconTo Next Page
To Previous Page IconTo Previous Page
To Previous Page IconTo Previous Page
Loading...
K5/K5N Vacuum Packaging Machine
Diagrams
2002-04-25 Art. no. 519.339 DE Page 52/55
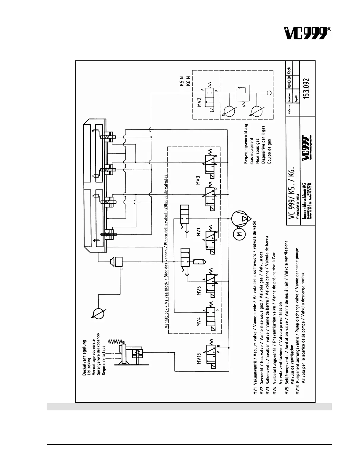
17.2 Circuit diagrams

Table of Contents

Related product manuals