EasyManua.ls Logo

VDO DLD Wide Range II - Connection diagram - Power supply

VDO DLD Wide Range II
Print Icon
To Next Page IconTo Next Page
To Next Page IconTo Next Page
To Previous Page IconTo Previous Page
To Previous Page IconTo Previous Page
Loading...
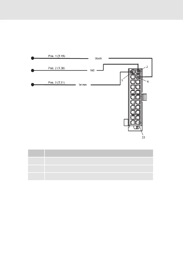
Connection diagram – Power supply
Pos. Designation
1 Ignition (black)
2 Permanent voltage (red)
3 Ground (brown)
6

Related product manuals