EasyManua.ls Logo

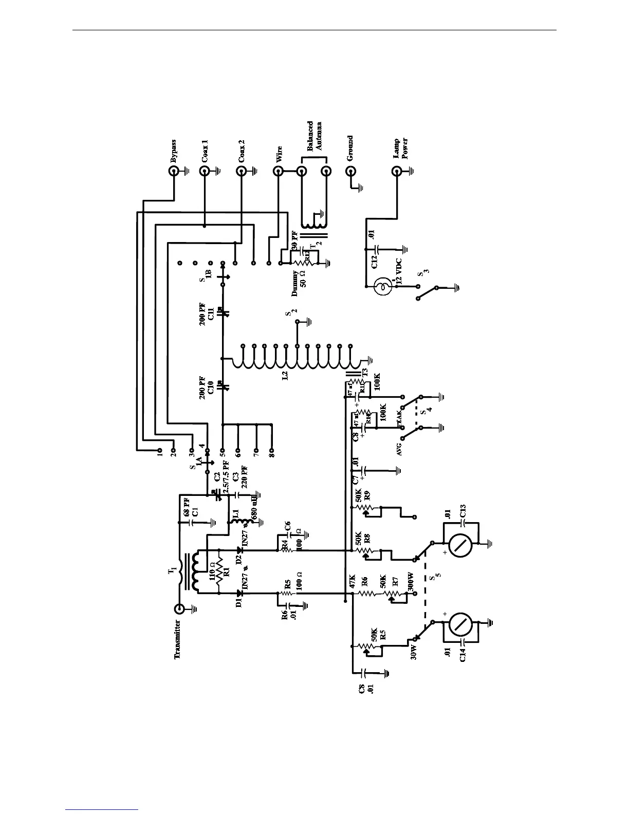
Vectronics VC-300DLP - SCHEMATIC DIAGRAM

Vectronics VC-300DLP
9 pages
Print Icon
To Previous Page IconTo Previous Page
To Previous Page IconTo Previous Page
Loading...
VC-300DLP Antenna Tuner Owner's Manual
9
SCHEMATIC DIAGRAM
VC-300DLP

Related product manuals