EasyManua.ls Logo

Veeder-Root TLS-450/8600 - Vacuum Sensor Operability Test; Figure 4-5.- TLS Console Vac Sensor Evac Hold Procedure

Veeder-Root TLS-450/8600
45 pages
Print Icon
To Next Page IconTo Next Page
To Next Page IconTo Next Page
To Previous Page IconTo Previous Page
To Previous Page IconTo Previous Page
Loading...
4-7
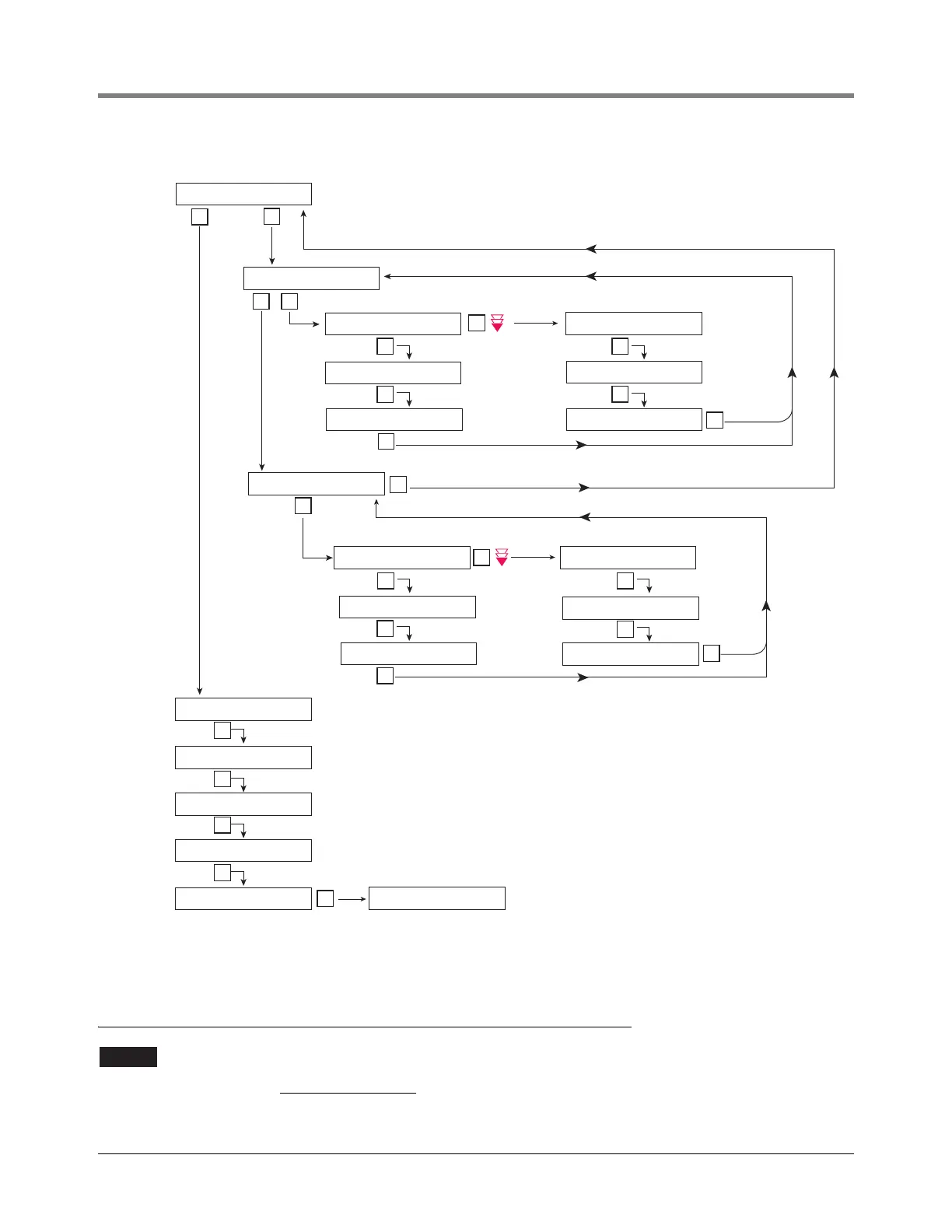
4 Vac System Testing - TLS-350/350R Consoles Vacuum Sensor Operability Test
Figure 4-5.- TLS Console Vac Sensor Evac Hold Procedure
Vacuum Sensor Operability Test
This test is required for each Vac Sensor prior to startup.
For test procedure, refer to Testing Procedure K
, which is found in the V-R Sensor Operability Testing Guide (P/N
577013-814).
s 1: VACUUM OK
-7.14 PSI VCV: CLOSED
s 1: DD-HH-YY HH:MM XM
LEAK RATE: 0.123 GPH
s 1: (Vac Sensor Label)
FLUID STATUS: NORMAL
S
s 1: DD-HH-YY HH:MM XM
NO VAC TIME: 50:20
s 1: DD-HH-YY HH:MM XM
EVAC RATIO: 5.2 @ -4.1 PSI
VAC SENSOR DIAGS
PRESS <ENTER>
S
S
VAC SENSOR EVAC HOLD
PRESS <ENTER>
START EVAC HOLD
PRESS <ENTER>
E
SELECT VAC SENSOR
ALL VAC SENSORS
SELECT VAC SENSOR
s X (Vac Sensor Label)
ES
S
S
S
START EVAC HOLD: ALL
PRESS <ENTER>
START EVAC HOLD: s X
PRESS <ENTER>
ALL: EVAC HOLD STARTED
PRESS <STEP> TO CONTINUE
s X: EVAC HOLD STARTED
PRESS <STEP> TO CONTINUE
STOP EVAC HOLD
PRESS <ENTER>
C
S
TO SELECT INDIVIDUAL VAC SENSORS
TO SELECT ALL VAC SENSORS
SELECT VAC SENSOR
ALL VAC SENSORS
SELECT VAC SENSOR
s X (Vac Sensor Label)
E
STOP EVAC HOLD: ALL
PRESS <ENTER>
STOP EVAC HOLD: s X
PRESS <ENTER>
ALL: EVAC HOLD ABORTED
PRESS <STEP> TO CONTINUE
s X: EVAC HOLD ABORTED
PRESS <STEP> TO CONTINUE
C
TO SELECT INDIVIDUAL VAC SENSORSTO SELECT ALL VAC SENSORS
S
sensors\vacsensors\fig22.eps
'Evac Hold' can be used to pause a manual test to see
if the interstitial space is leaking without waiting to
obtain the 'Vac OK' state.
'VCV' shows if the Vacuum Control Valve in the Vac Sensor
is open (to increase the vacuum) or closed.
Continued from
previous page.
'100:00' (100 hours) shows is the maximum displayed
value.
E
E
EE
S
S
S
E
E
E
E
NOTICE

Table of Contents

Related product manuals