EasyManua.ls Logo

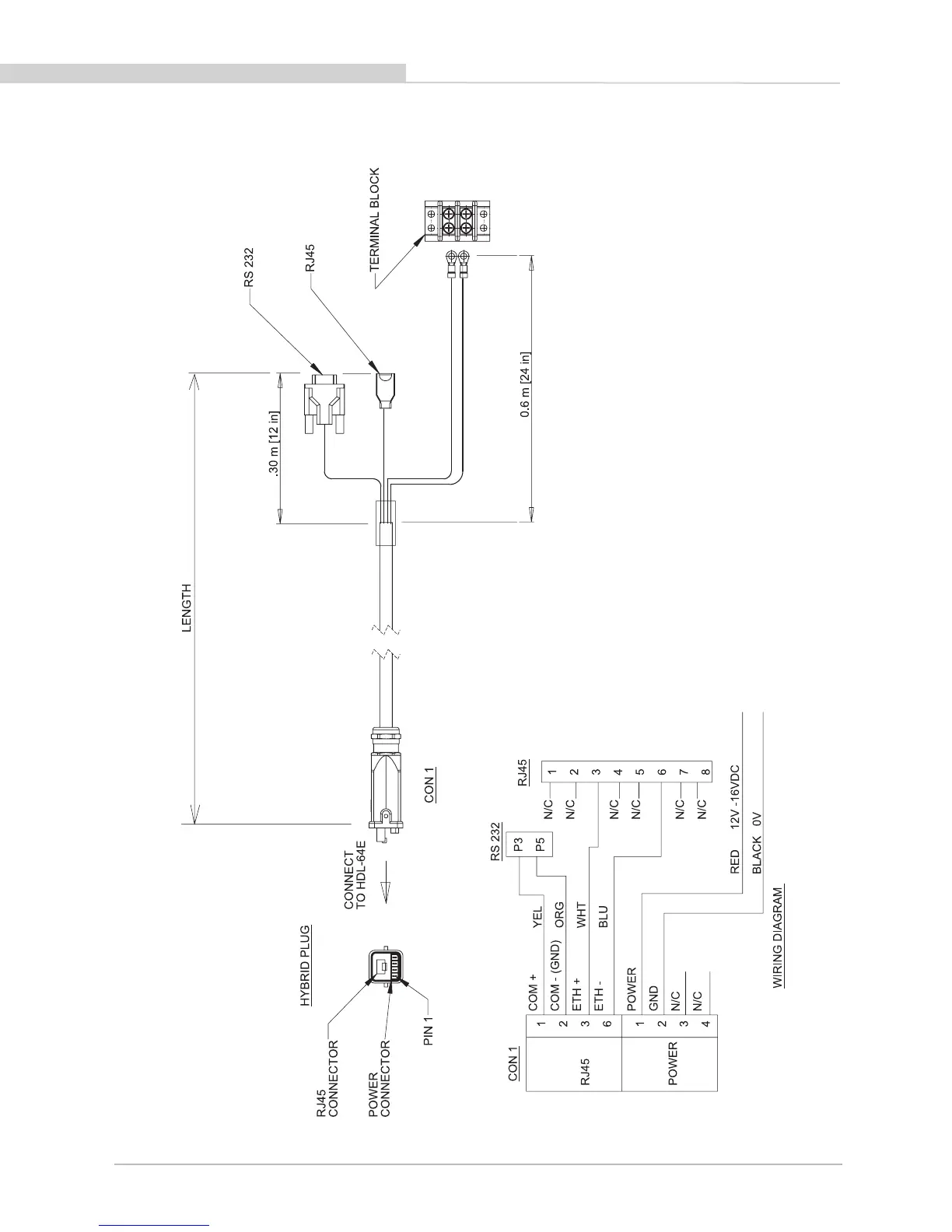
Velodyne HD HDL-64E S2.1 - APPENDIX B: WIRING DIAGRAM; Connection Pinouts and Cable Layouts

Velodyne HD HDL-64E  S2.1
43 pages
Print Icon
To Next Page IconTo Next Page
To Next Page IconTo Next Page
To Previous Page IconTo Previous Page
To Previous Page IconTo Previous Page
Loading...
[ 16 ]
HDL-64E S2 and S2.1 Users Manual
Harting Technology Group
Metal Version, Standard Straight Style
Model No. 10-12-005-2001

Related product manuals