EasyManua.ls Logo

Vertiv Liebert DA265 - Page 77

Vertiv Liebert DA265
91 pages
Print Icon
To Next Page IconTo Next Page
To Next Page IconTo Next Page
To Previous Page IconTo Previous Page
To Previous Page IconTo Previous Page
Loading...
REV : 4
REV DATE : 2/20
DPN003886
Page :1 /2
Form No.: DPN001040_REV4
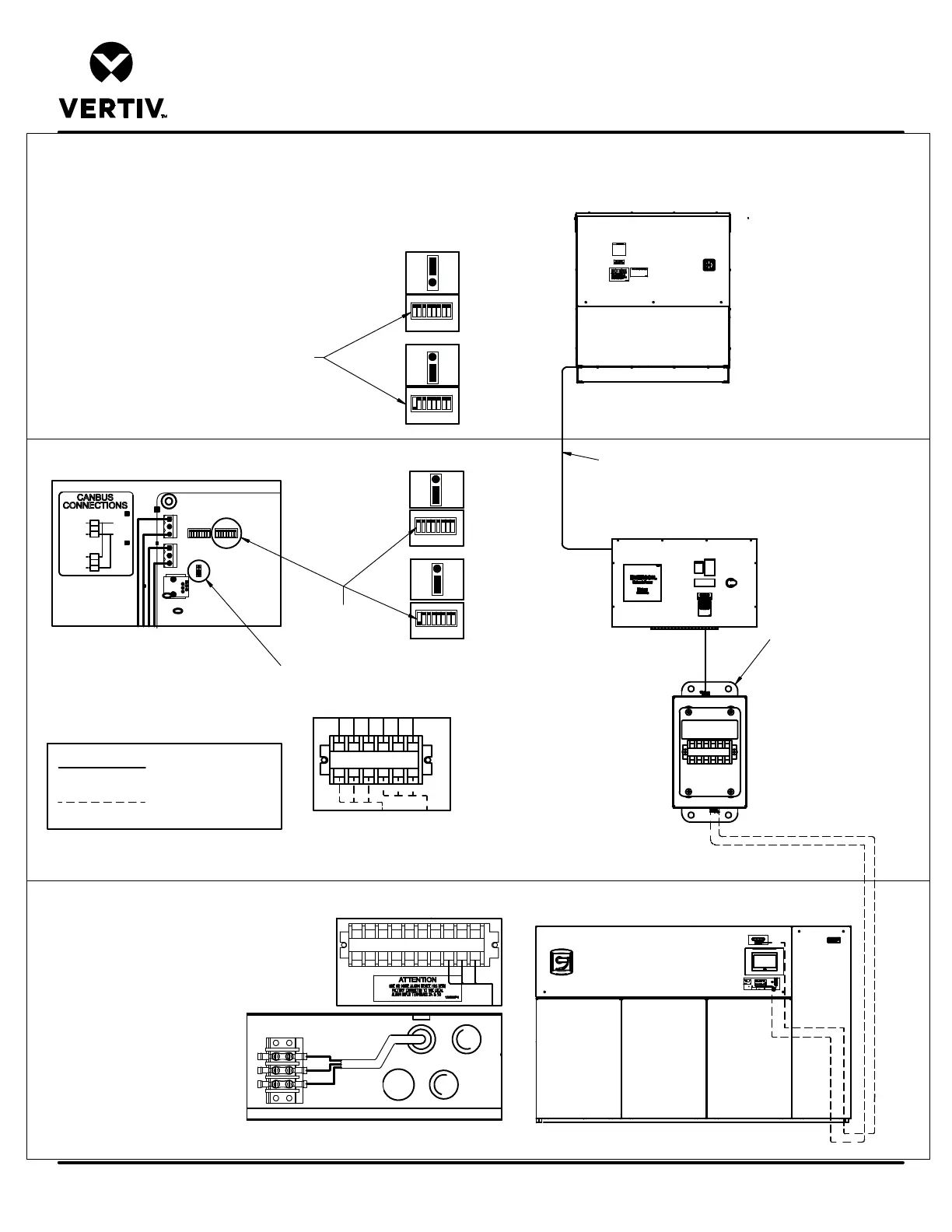
CANbus & INTERLOCK CONNECTIONS
LIEBERT
®
HEAT REJECTION SKID
Liebert
®
MCV + Liebert
®
ECONOPHASE + BASE ASSY
CANBUS
ADDRESSING
DIPSWITCH
CANBUS
ADDRESSING
DIPSWITCH
CANBUS COMMUNICATION CABLE
230
71
70
49-3
49-1
49-1
49-3
70
71
230
SH
SH
1
INPUT
2
3
CAN H
TB50
OUTPUT
1
2
3
TB49
CAN L
HL
HL
31
J6
TB50
TB49
CAN
ON
SW6
1
2
3
DETAIL 3
JUMPER AND DIPSWTICH
LOCATION
CONDENSER CONTROL
BOARDS (FACTORY SET)
A
B
SEE SHEET 2 FOR
COMPONENT
NOTES, CABLE NOTES, &
WIRE NOTES
CIRCUIT 1
J6
1 3
CAN
ON
SW6
CAN
ON
SW6
J6
1 3
CIRCUIT 2
SH
49-1
49-3
23071
70
DETAIL 2
HEAT REJECTION INTERLOCK (B)
DETAIL 1 CANBUS CABLE CONNECTION (A)
A
B
4
3
ECONOPHASE CONTROL
BOARDS (FACTORY SET)
SW6
ON
CAN
31
J6
CIRCUIT 2
SW6
ON
CAN
CIRCUIT 1
31
J6
B
A
DETAIL 4 LOW VOLTAGE JUNCTION BOX
CANBUS
TERMINATION
JUMPER
NOTE:
ONE Liebert DSE system
shown for simplicity.
FACTORY WIRED
FIELD INSTALLED
LOW VOLTAGE
JUNCTION BOX
Liebert
®
MCV
CONDENSER
Liebert
®
Liebert
®
DSE

Table of Contents

Related product manuals