EasyManua.ls Logo

Vertiv NetXtend Flex 20 - Page 99

Vertiv NetXtend Flex 20
188 pages
Print Icon
To Next Page IconTo Next Page
To Next Page IconTo Next Page
To Previous Page IconTo Previous Page
To Previous Page IconTo Previous Page
Loading...
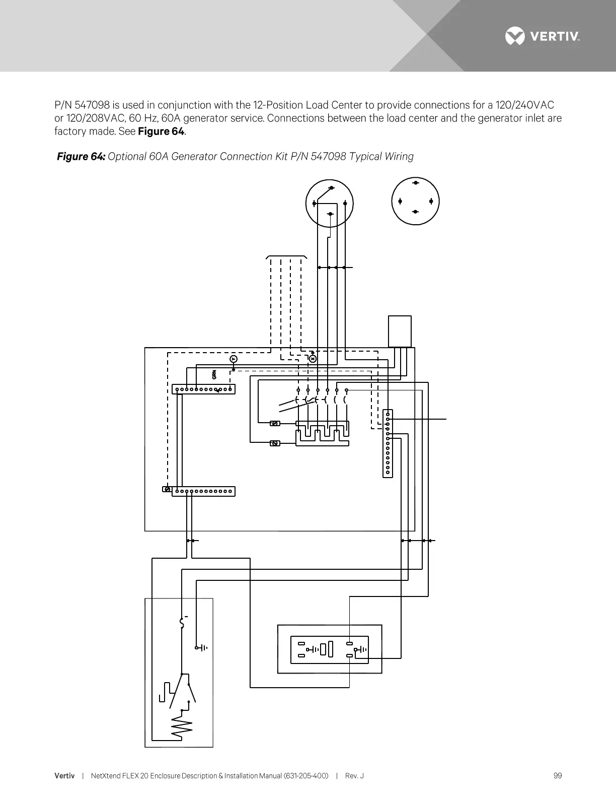
NOTES:
1. CONNECT OPTION X OR Y PER LOCAL CODE.
2. SECURE BREAKER RETAINING BRACKET
TO PREVENT REMOVAL OF MAIN AC BREAKER
AND GEN. BREAKERS.
3. HANDLE TIE TO BE MOUNTED ON THE MAIN
AND GEN. BREAKERS TO PREVENT BOTH
BEING ON AT THE SAME TIME.
TO METERED
OVER CURRENT
PROTECTED SINGLE
PHASE 120/240V OR
120/208V SERVICE
SHOWN FOR
REFERENCE ONLY.
WIRES INSTALLED
IN FIELD.
WHT
RED
BLK
GRN
AC LOAD CENTER
SEE NOTES
2 & 3
CB1
CB2
CB3
100A
60A
15A
WHT
BLK
GRN
GRN
BLK
6 AWG
THHN
WHT
SURGE
PROTECTOR
GROUND BAR
TO
MAIN
GROUND
BAR
GFI
LINE
LOAD
GND
TEST
RESET
GN D
OPTIONAL BATTERY
HEATER
GRN
GND
BLK
TSTAT
HEATER
ELEMENT
S1
10A
SC-10
NEUTRAL BAR
WHT
WHT
RED
BLK
GRN
60A
AC GENERATOR
PLUG
(FRONT VIEW)
60A
AC GENERATOR
PLUG
(REAR VIEW)
WHT
RED
BLK
GRN
14 AWG
CB4 15A
WHT
BLK
BLK
WHT
WHT
BLK
GRN
NEUTRAL BAR
14 AWG
WHT
RED
BLK
GRN
W
L1
L2
G

Table of Contents

Related product manuals