EasyManua.ls Logo

VEVOR BATHROOM MASTER - Page 12

VEVOR BATHROOM MASTER
20 pages
Print Icon
To Next Page IconTo Next Page
To Next Page IconTo Next Page
To Previous Page IconTo Previous Page
To Previous Page IconTo Previous Page
Loading...
- 11 -
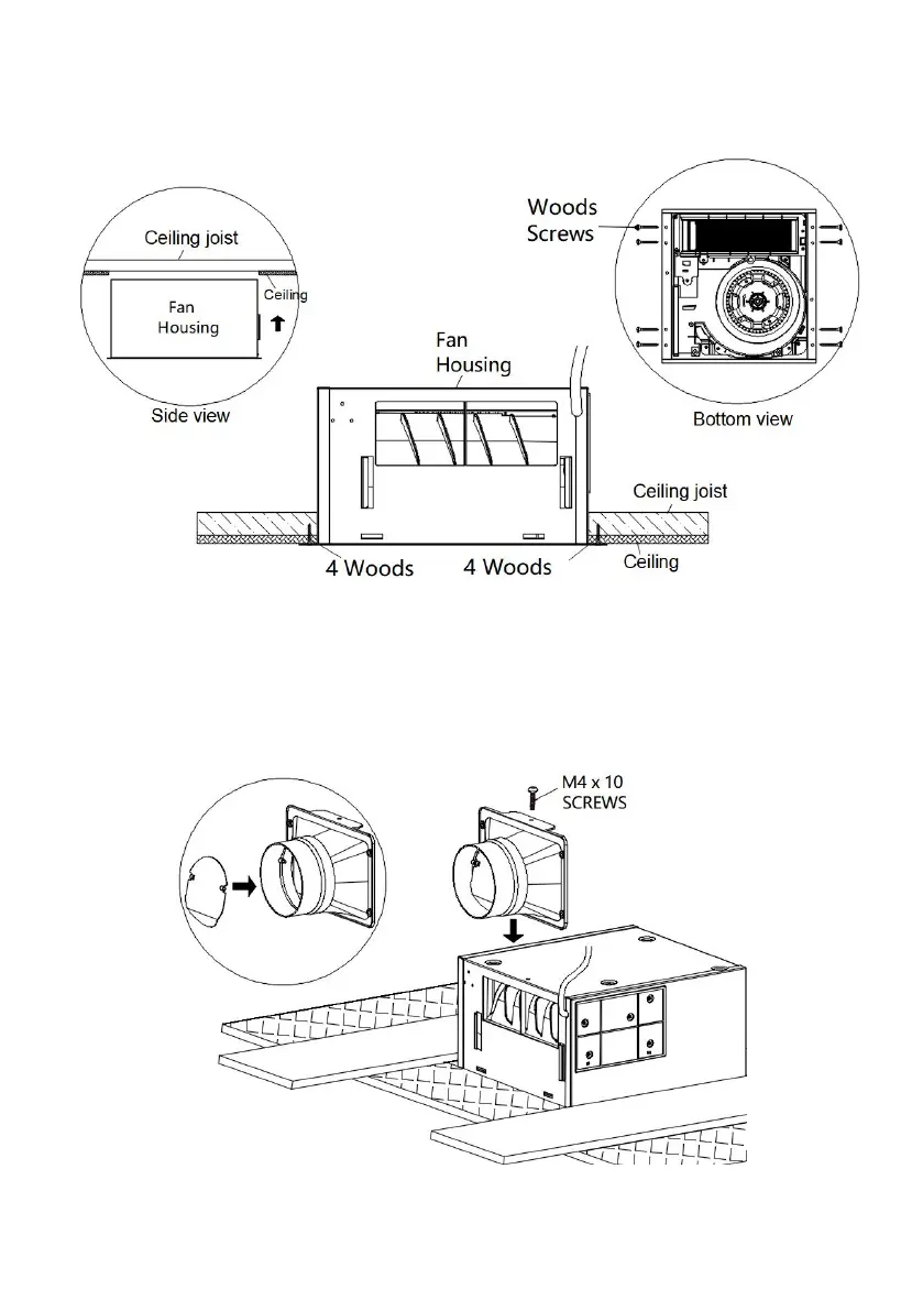
5. Push the fan housing into the ceiling hole and secure it with 8 wooden
screws (locked through two layers of ceiling). ( See the Fig.4.)
6. Install the plastic plate into the duct connector. Then install the duct
connector into the fan housing and tighten the screws. ( See the
Fig.5.)

Related product manuals