EasyManua.ls Logo

Viessmann EM-P1 - Installation Procedures; Wall Mounting; Overview of Electrical Connections

Viessmann EM-P1
16 pages
Print Icon
To Next Page IconTo Next Page
To Next Page IconTo Next Page
To Previous Page IconTo Previous Page
To Previous Page IconTo Previous Page
Loading...
2
2.
1.
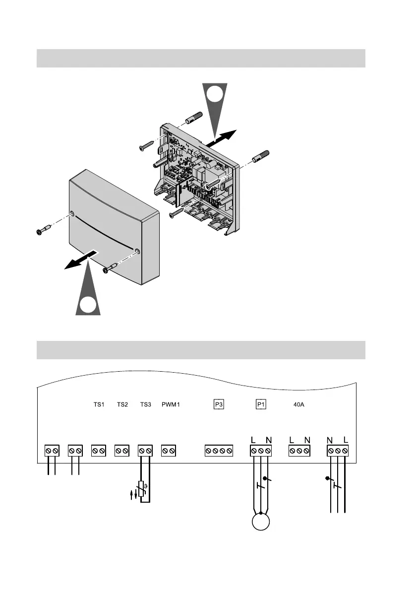
Overview of electrical connections
?
1
?
jF jF
[{] [{] [{]
2
[{]
M
1~
230 V~/50 Hz
? ?
)
[{{]
Wall mounting
5831394

Other manuals for Viessmann EM-P1

Related product manuals