EasyManua.ls Logo

Viessmann EM-P1 - Connection and Wiring Diagram; Comprehensive Wiring Diagram

Viessmann EM-P1
16 pages
Print Icon
To Next Page IconTo Next Page
To Next Page IconTo Next Page
To Previous Page IconTo Previous Page
To Previous Page IconTo Previous Page
Loading...
11
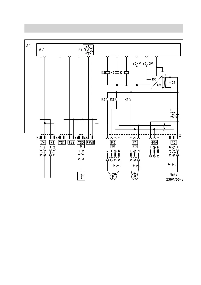
A1 PCB, EM-P1 extension
A2 PCB
F1 Fuse
S1 Rotary switch
230 V~ plugs
P1
Heating circuit pump (on site)
P3 sK
DHW circulation pump
Power supply 230 V/50 Hz
A
Power supply for accessories
LV plug
PWM1 No function
TS1 No function
TS2 No function
TS3 )
Immersion temperature sen-
sor, low loss header
jF
PlusBus connection for con-
necting to the heat generator
control unit and another
accessory
Connection and wiring diagram
5831394

Other manuals for Viessmann EM-P1

Related product manuals