EasyManua.ls Logo

Viessmann Vitocell 100-L - 7.2 Connections

Viessmann Vitocell 100-L
56 pages
Print Icon
To Next Page IconTo Next Page
To Next Page IconTo Next Page
To Previous Page IconTo Previous Page
To Previous Page IconTo Previous Page
Loading...
7.2 Connections
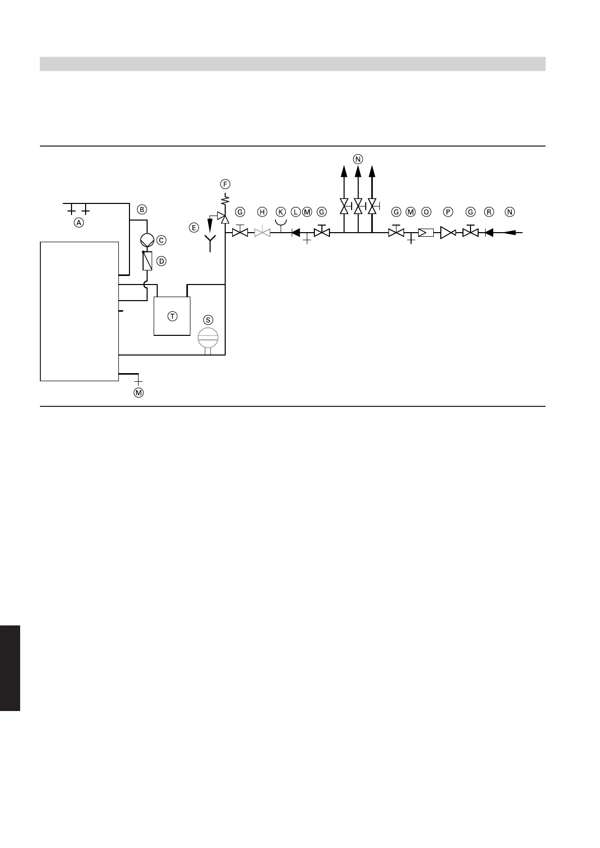
Connection on the DHW side of the Vitotrans 222 (accessories) in conjunction with a Vitocell 100-L
(Connection to DIN 1988)
A
Draw-off points (DHW)
B
DHW circulation pipe
C
DHW circulation pump
D
Spring-loaded check valve
E
Visible discharge pipe outlet point (tundish)
F
Safety valve
G
Shut-off valve
H
Flow regulating valve
K
Pressure gauge connection
L
Non-return valve
M
Drain
N
Cold water
O
Drinking water filter
P
Pressure reducer
R
Non-return valve/pipe separator
S
Diaphragm expansion vessel, suitable for potable water
T
Vitotrans 222
Installation information
The pipework downstream of the Vitotrans 222 must not be made
from zinc-plated steel pipes.
Establish the cold water connection with a tee with straight flow to
the cold water connection of the Vitocell 100-L. Always make the
cold water connection to the Vitotrans 222 as a tee branch.
The safety valve underneath the Vitotrans 222 does not replace
the safety valve of the safety assembly to DIN 1988.
The following are part of the safety assembly according to DIN 1988:
Shut-off valves
Drain valve
Pressure reducer
Safety valve
Non-return valve
Pressure gauge
Flow regulating valve
Drinking water filter
Pressure reducer (to DIN 1988)
Install this device if the pressure in the pipework at the connection
point exceeds 80 % of the safety valve response pressure.
It is advisable to install the pressure reducer immediately down-
stream of the water meter. This creates nearly the same pressures in
the entire DHW system, which is thereby protected against overpres-
sure and water hammer.
According to DIN 4109, the static pressure of the water supply sys-
tem after distribution over the various floors upstream of the fittings
should not be higher than 5 bar (0.5 MPa).
Safety valve
The connection diameter of the safety valve must be as follows:
With 500 to 1000 l cylinder capacity
min. R ¾ (DN 20),
max. heat input 150 kW
Between 1000 and 5000 l cylinder capacity
min. R 1 (DN 25),
max. heat input 250 kW
Install the safety valve in the cold water line. Ensure it cannot be
shut off from the DHW cylinder. There must be no constrictions in
the pipework between the safety valve and the DHW cylinder. Never
seal off the safety valve discharge pipe. Ensure that any expelled
water is safely and visibly drained into a drainage system. Position a
sign close to the safety valve discharge pipe, or ideally on the safety
valve itself, with the following inscription:
"For safety reasons, water may be discharged from the discharge
pipe during heating. Never seal off."
Recommendation: Install the safety valve above the top edge of the
cylinder. Then the DHW cylinder will not need to be drained when
working on the safety valve.
Non-return valve
This prevents system water and heated water from flowing back into
the cold water pipe and into the mains water supply.
Installation — cylinder loading system
(cont.)
48
VIESMANN
DHW heating
7
5414646

Table of Contents