EasyManua.ls Logo

Viglen Vig644M - System Board Components

Default Icon
45 pages
Print Icon
To Next Page IconTo Next Page
To Next Page IconTo Next Page
To Previous Page IconTo Previous Page
To Previous Page IconTo Previous Page
Loading...
V1.0 Vig644M Motherboard Manual
14
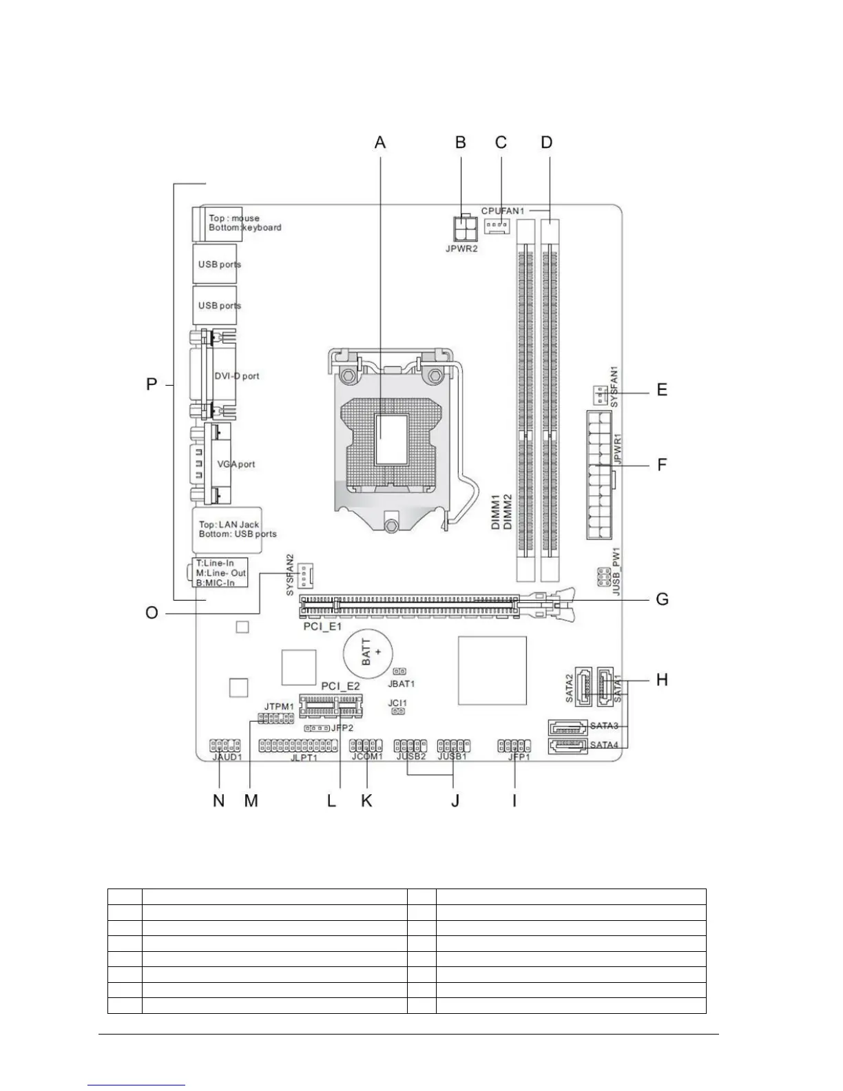
System Board Components
Figure 3: Motherboard Layout & Components
Table 2: Motherboard Connection
A
CPU Socket
I
Front Panel Header
B
4-pin Power Socket Connector
J
USB Headers
C
CPU Fan Header
K
Serial Port Header
D
DIMM Sockets
L
PCI Express x1 Slot
E
System Fan Header
M
TPM Module Header
F
24-pin Power Socket Connector
N
Front Panel Audio Header
G
PCI Express x16 Slot
O
System Fan Header
H
SATA ports
P
Back Panel

Related product manuals