EasyManua.ls Logo

Viking Range VCBB363 - Wiring Diagram

Viking Range VCBB363
36 pages
Print Icon
To Next Page IconTo Next Page
To Next Page IconTo Next Page
To Previous Page IconTo Previous Page
To Previous Page IconTo Previous Page
Loading...
35
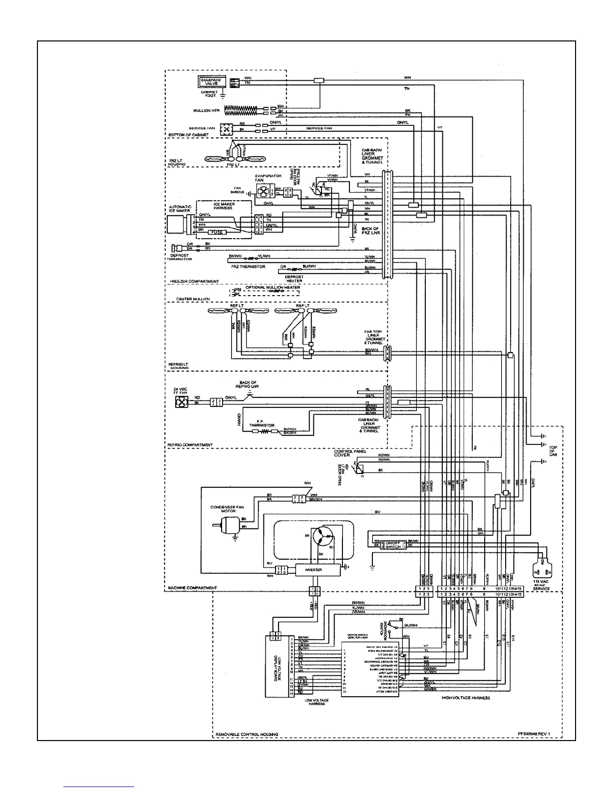
WIRING DIAGRAM
BUILT-IN 36” W. BOTTOM MOUNT REFRIGERATOR/FREEZER
WWAARRNNIINNGG::
EELLEECCTTRRIICCAALL
GGRROOUUNNDDIINNGG
IINNSSTTRRUUCCTTIIOONNSS
This appliance is equipped
with a three prong
grounding plug for your
protection against shock
hazard and should be
plugged directly into a
properly grounded three
prong receptacle. DO
NOT CUT OR REMOVE
THE GROUNDING PRONG
FROM THIS PLUG.
RREEFFEERR OONNLLYY TTOO
FFEEAATTUURREESS WWHHIICCHH AARREE
EEQQUUIIPPPPEEDD WWIITTHH TTHHIISS
UUNNIITT..

Related product manuals