EasyManua.ls Logo

Viking DFSB423D - WIRING DIAGRAM - BUILT-IN SIDE-BY-SIDE 42 W. REFRIGERATOR - NON-DISPENSER MODEL

Viking DFSB423D
41 pages
Print Icon
To Next Page IconTo Next Page
To Next Page IconTo Next Page
To Previous Page IconTo Previous Page
To Previous Page IconTo Previous Page
Loading...
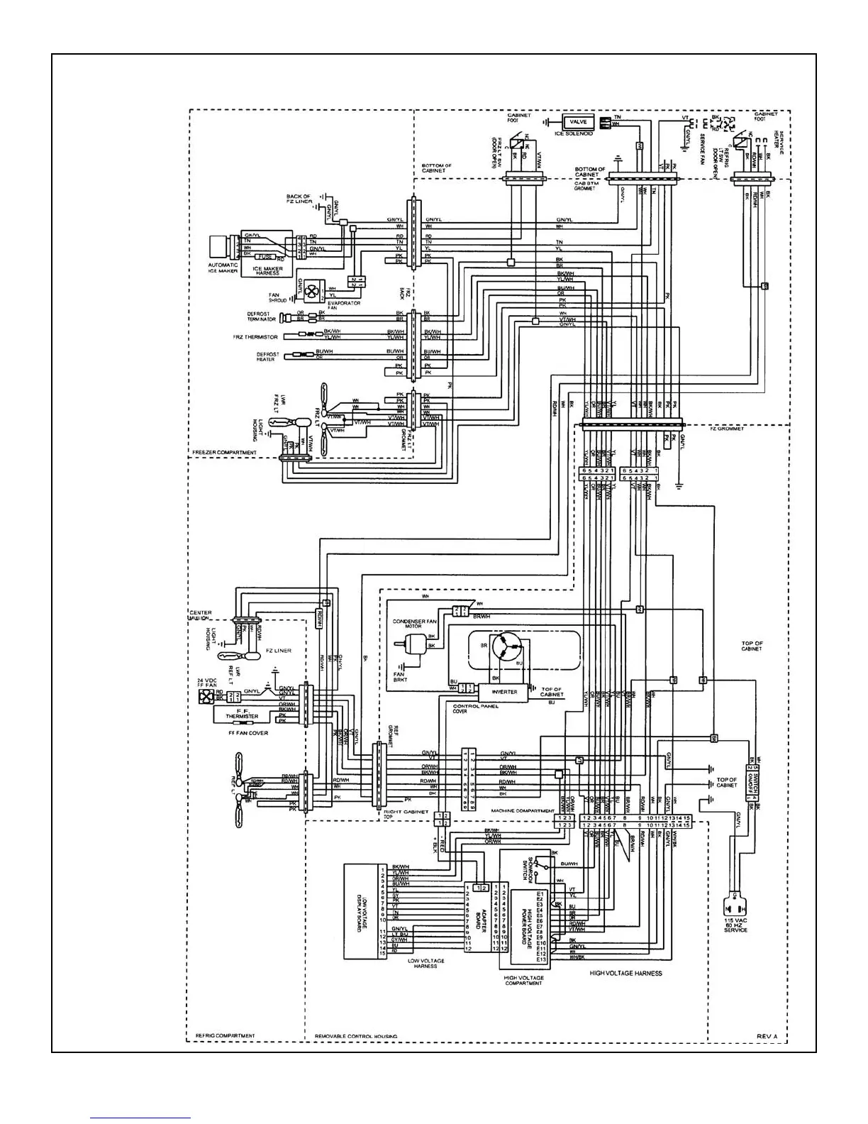
WIRING DIAGRAM
BUILT-IN SIDE-BY-SIDE 42” W. REFRIGERATOR - NON-DISPENSER MODEL
38
WWAARRNNIINNGG::
EELLEECCTTRRIICCAALL
GGRROOUUNNDDIINNGG
IINNSSTTRRUUCCTTIIOONNSS
This appliance is
equipped with a
three prong
grounding plug for
your protection
against shock
hazard and should
be plugged directly
into a properly
grounded three
prong receptacle.
DO NOT CUT OR
REMOVE THE
GROUNDING
PRONG FROM
THIS PLUG.
RREEFFEERR OONNLLYY TTOO
FFEEAATTUURREESS WWHHIICCHH
AARREE EEQQUUIIPPPPEEDD
WWIITTHH TTHHIISS UUNNIITT..

Other manuals for Viking DFSB423D

Related product manuals