EasyManua.ls Logo

Viking DFSB423D - WIRING DIAGRAM - BUILT-IN SIDE-BY-SIDE 48 W. REFRIGERATOR - DISPENSER MODEL

Viking DFSB423D
41 pages
Print Icon
To Previous Page IconTo Previous Page
To Previous Page IconTo Previous Page
Loading...
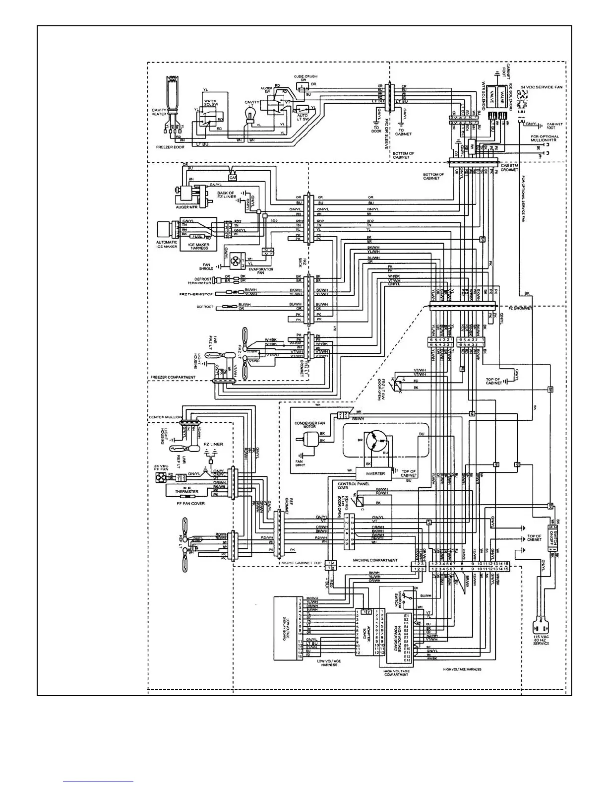
WIRING DIAGRAM
BUILT-IN SIDE-BY-SIDE 48” W. REFRIGERATOR - DISPENSER MODEL
VIKING RANGE CORPORATION
111 Front Street • Greenwood, Mississippi 38930 USA • (662) 455-1200
Specifications subject to change without notice
For more product information, call 1-888-VIKING1 (845-4644), or visit our web site at http://www.vikingrange.com
F20286A
(PS0204VR)
WWAARRNNIINNGG::
EELLEECCTTRRIICCAALL
GGRROOUUNNDDIINNGG
IINNSSTTRRUUCCTTIIOONNSS
This appliance is
equipped with a
three prong
grounding plug for
your protection
against shock
hazard and should
be plugged directly
into a properly
grounded three
prong receptacle.
DO NOT CUT OR
REMOVE THE
GROUNDING
PRONG FROM THIS
PLUG.
RREEFFEERR OONNLLYY TTOO
FFEEAATTUURREESS WWHHIICCHH
AARREE EEQQUUIIPPPPEEDD
WWIITTHH TTHHIISS UUNNIITT..

Other manuals for Viking DFSB423D

Related product manuals