EasyManua.ls Logo

Viking DFSB423D - WIRING DIAGRAM - BUILT-IN SIDE-BY-SIDE 48 W. REFRIGERATOR - NON-DISPENSER MODEL

Viking DFSB423D
41 pages
Print Icon
To Next Page IconTo Next Page
To Next Page IconTo Next Page
To Previous Page IconTo Previous Page
To Previous Page IconTo Previous Page
Loading...
40
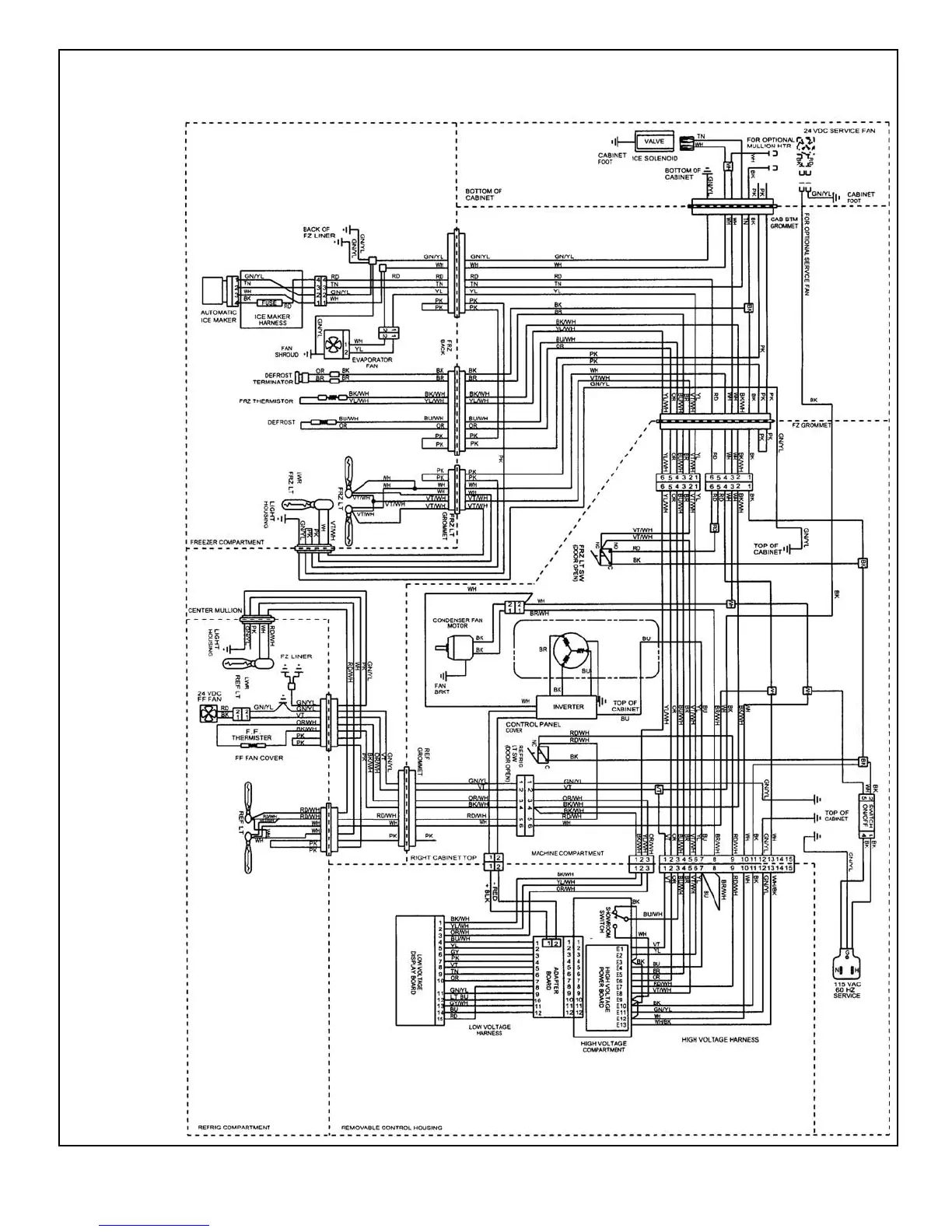
WIRING DIAGRAM
BUILT-IN SIDE-BY-SIDE 48” W. REFRIGERATOR - NON-DISPENSER MODEL
WWAARRNNIINNGG::
EELLEECCTTRRIICCAALL
GGRROOUUNNDDIINNGG
IINNSSTTRRUUCCTTIIOONNSS
This appliance is
equipped with a
three prong
grounding plug
for your
protection against
shock hazard and
should be
plugged directly
into a properly
grounded three
prong receptacle.
DO NOT CUT OR
REMOVE THE
GROUNDING
PRONG FROM
THIS PLUG.
RREEFFEERR OONNLLYY TTOO
FFEEAATTUURREESS
WWHHIICCHH AARREE
EEQQUUIIPPPPEEDD WWIITTHH
TTHHIISS UUNNIITT..

Other manuals for Viking DFSB423D

Related product manuals