EasyManua.ls Logo

Viking F-1NX - Post Mounting Option

Viking F-1NX
52 pages
Print Icon
To Next Page IconTo Next Page
To Next Page IconTo Next Page
To Previous Page IconTo Previous Page
To Previous Page IconTo Previous Page
Loading...
VIKING TECHNICAL SUPPORT 1.800.908.0884
15
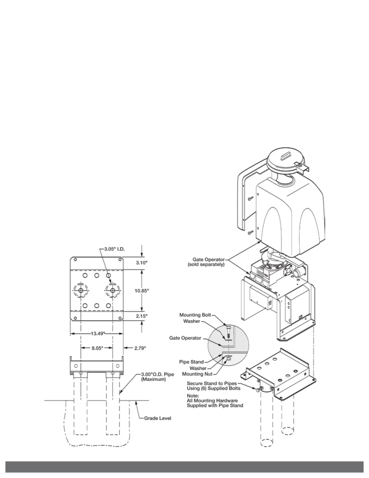
Post Mounting Option
TIP:
The operator can be post mounted to be elevated above snow and flood lines.
1.
Consult the local building codes for the depth and concrete requirements.
2.
Maximum 3.00” OD pipe.
3.
Provide a sufficient number of conduit pathways for all low power accessories.
Also provide conduit for the power supply to the operator.
! DO NOT run low voltage and high voltage wiring in the same conduit.
! Provide at least 12” separation between low and high voltage conduits.
GATE OPERATOR INSTALLATION
REQUIRED ADD-ON: PART# VA-F1PS
Main pieces made of 1/4” thick material
All mounting hardware is included
Posts and U-Bolts are not supplied

Related product manuals