EasyManua.ls Logo

Viking VGR5304B - Page 7

Viking VGR5304B
24 pages
Print Icon
To Next Page IconTo Next Page
To Next Page IconTo Next Page
To Previous Page IconTo Previous Page
To Previous Page IconTo Previous Page
Loading...
7
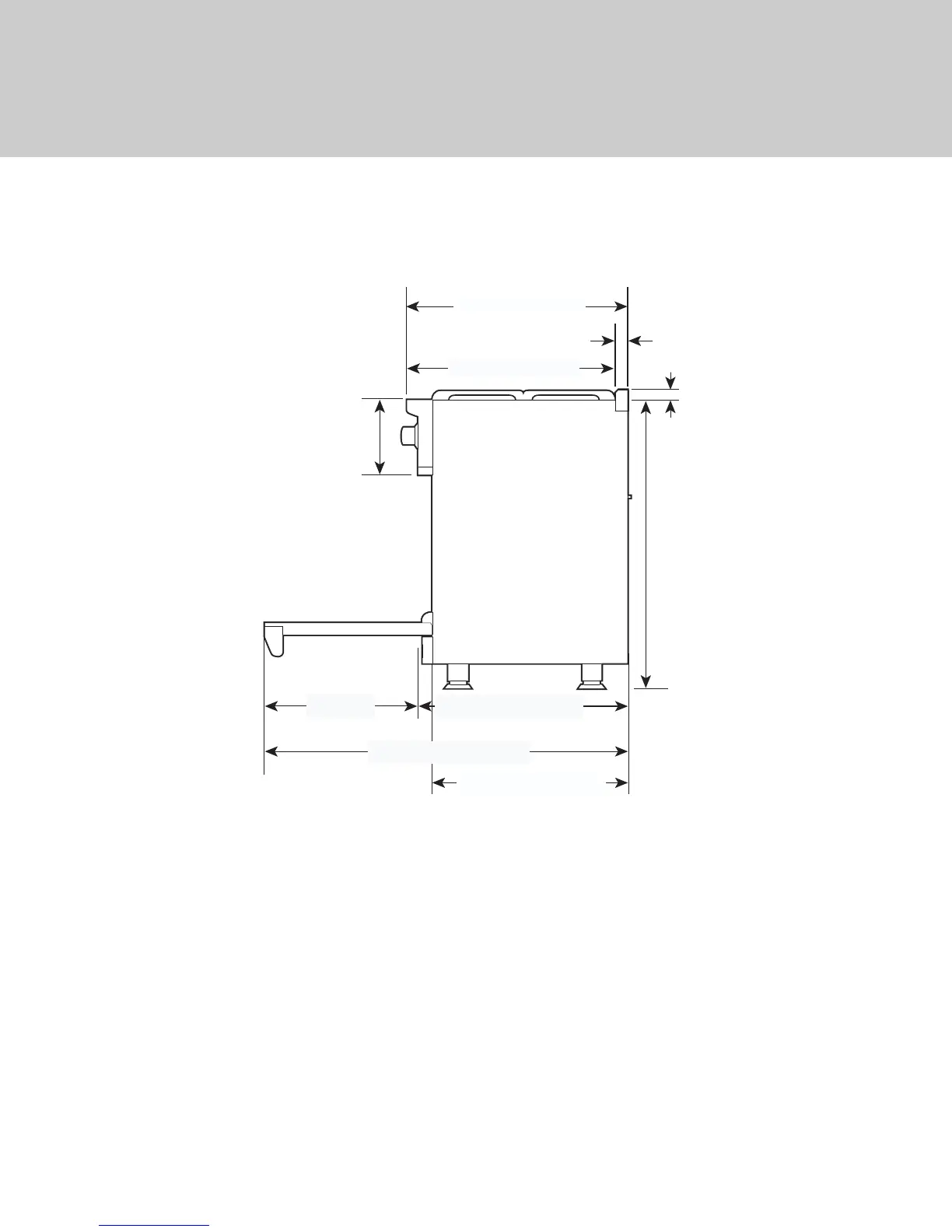
Dimensions
25-3/4 (65.4 cm)
45-1/8” (114.6 cm)
19-3/8”
(49.2 cm)
8-1/8”
(20.6 cm)
26-7/16 (67.2 cm)
1-5/8”
(4.1 cm)
1 (2.5 cm)
35-7/8”
(91.1 cm) min.
to
37
(94.0 cm) max.
24-5/16 (61.8 cm)
28-1/16 (71.2 cm)
Note: Unit shown with standard island trim.
Side View

Related product manuals