EasyManua.ls Logo

Vimar 930C - Wiring Diagram for Electric Door-Opener System with Speech Unit Art. 930 C

Vimar 930C
6 pages
Print Icon
To Next Page IconTo Next Page
To Next Page IconTo Next Page
To Previous Page IconTo Previous Page
To Previous Page IconTo Previous Page
Loading...
C
2
1
3
4
D
B
120
PRI
*
G
E
CHCH S231CH
A
4
B
6
2
1
3
5
7
5
CH
4
B
6
2
1
3
5
7
CH
CHS231
7
8
4/5
3
1
2
6
7
8
4/5
3
1
2
6
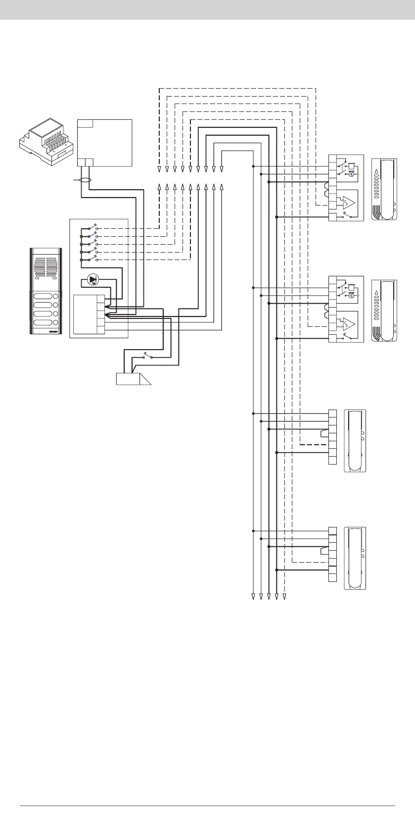
Eseguire il collegamento seguendo attentamente lo schema. Con
distanze fino a 100m. usare cavo da 1 mm
2
.
Carry out wiring by following drawing carefully. Use 1 mm
2
cable up to
100m. distance.
Faire la connexion en suivant soigneusement le schéma. Employer du
câble de 1 mm
2
jusqu’à 100m. de distance.
Führen Sie die Verdrahtung gemäß der folgenden Zeichung sorgfältig aus.
Verwenden Sie Drahte mit 1mm
2
. Querschnitt bis max. 100m. Entfernung.
Ejecutar la instalación siguiendo atentamente el esquema. Con
distancias hasta 100m. usar cable de 1mm
2
.
Executar a ligação seguindo atentamente o esquema. Para distancias
até 100m. utilizar condutores de 1 mm
2
.
N. si579
SCHEMA COLLEGAMENTO PORTIERE ELETTRICO CON POSTO ESTERNO ART. 930C
WIRING DIAGRAM FOR ELECTRIC DOOR-OPENER SYSTEM WITH SPEECH UNIT ART. 930C
SCHÉMA DES CONNEXIONS PORTIER ÉLECTRIQUE AVEC POSTE EXTERNE ART. 930C
SCHALTPLAN FÜR TÜRSPRECHANLAGE MIT AUSSENSTELLE ART. 930C
ESQUEMA DE CONEXIONADO PORTERO ELÉCTRICO CON APARATO EXTERNO ART. 930C
ESQUEMA DE LIGAÇÃO DO PORTEIRO ELÉCTRICO COM POSTO EXTERNO ART. 930C
CITOFONO
PHONE - POSTE
HAUSTELEFON
TELÉFONO
TELEFONE
Art. 620R
Rete-Mains
Netz-Reséau
Red-Rede
CITOFONO
PHONE - POSTE
HAUSTELEFON
TELÉFONO
TELEFONE
Art. 620R
CITOFONO
PHONE - POSTE
HAUSTELEFON
TELÉFONO
TELEFONE
Art. 8870
CITOFONO
PHONE - POSTE
HAUSTELEFON
TELÉFONO
TELEFONE
Art. 8870
F
A- Audio entrance panel
B- Additionalpush-button for lock
C- 12v a.c. electric lock
D- Speech unitart. 930C
E- Entrance panel call push-button
F- Transformer Art. M832
G- Name-tag lighting led
A- Botoneira audio
B- Botão supplementar para trinco
C- Trinco électrico 12V c.c.
D- Posto externo Art. 930C
E- Botão chamada botoneira
F- Transformador Art. M832
G- LED iluminação cartão portanomes.
A- Targa audio
B- Pulsante supplementare per serratura
C- Serratura elettrica 12V c.c.
D- Posto esterno Art. 930C
E- Pulsante chiamata targa
F- Trasformatore Art. M832
G- LED illuminazione cartellino portanomi
A- Plaque de rue audio
B- Bouton-poussoir supplémentaire pour gâche
C- Gâche électrique 12V c.c.
D- Poste externe Art. 930C
E- Poussoir appel plaque de rue
F- Transformateur Art. M832
G- LED éclairage étiquette porte-nom
A- Placa audio
B- Pulsador suplementario para cerradura
C- Cerradura électrica 12V c.c.
D- Aparato externo Art. 930C
E- Pulsador llamada placa
F- Transformador Art. M832
G- LED iluminación tarjeta portanombres
A- Audio-Klingeltableau
B- Zusatztaste für Türschloss
C- 12V A.C. elektrisches Türschloss
D- Sprechstelle Art. 930C
E- Klingeltableauruftaste
F- Transformator Art. M832
G- Namenschildbelechtung-LED
*
*
Cavo di alimentazione separato dagli altri conduttori e da collegare
direttamente ai morsetti 3 e 4 del posto esterno Art. 930C.
Supply voltage cable separated from the remaining conductors and to
connect directly to terminals 3 and 4 of speech unit type 930C.
Cable d’alimentation séparé des autres conducteurs et à raccorder
directement aux bornes 3 et 4 du poste externe Art. 930C.
Versorgungsspannungskabel von den anderen Leitungen getrennt
und zum direkten Anschluss an Klemmen 3 und 4 der Sprechstelle
Art. 930C.
Cable de alimentación separado de los otros conductores y para
conectar directamente a los bornes 3 y 4 del aparato externo Art. 930C.
Cabo de alimentação separado dos outros conductores e para ligar
directamente aos terminais 3 e 4 do posto externo Art. 930C.

Related product manuals