EasyManua.ls Logo

Vintage Keeper INTERKOOL 300 - How to Install Your Cooling Unit; Unit Placement and Faceplate Attachment; Testing and Lifting into Cutout

Default Icon
8 pages
Print Icon
To Next Page IconTo Next Page
To Next Page IconTo Next Page
To Previous Page IconTo Previous Page
To Previous Page IconTo Previous Page
Loading...
~ 4 ~
~ 5 ~
R u b b e r
Bum p e r s
COOL
END
WARM
END
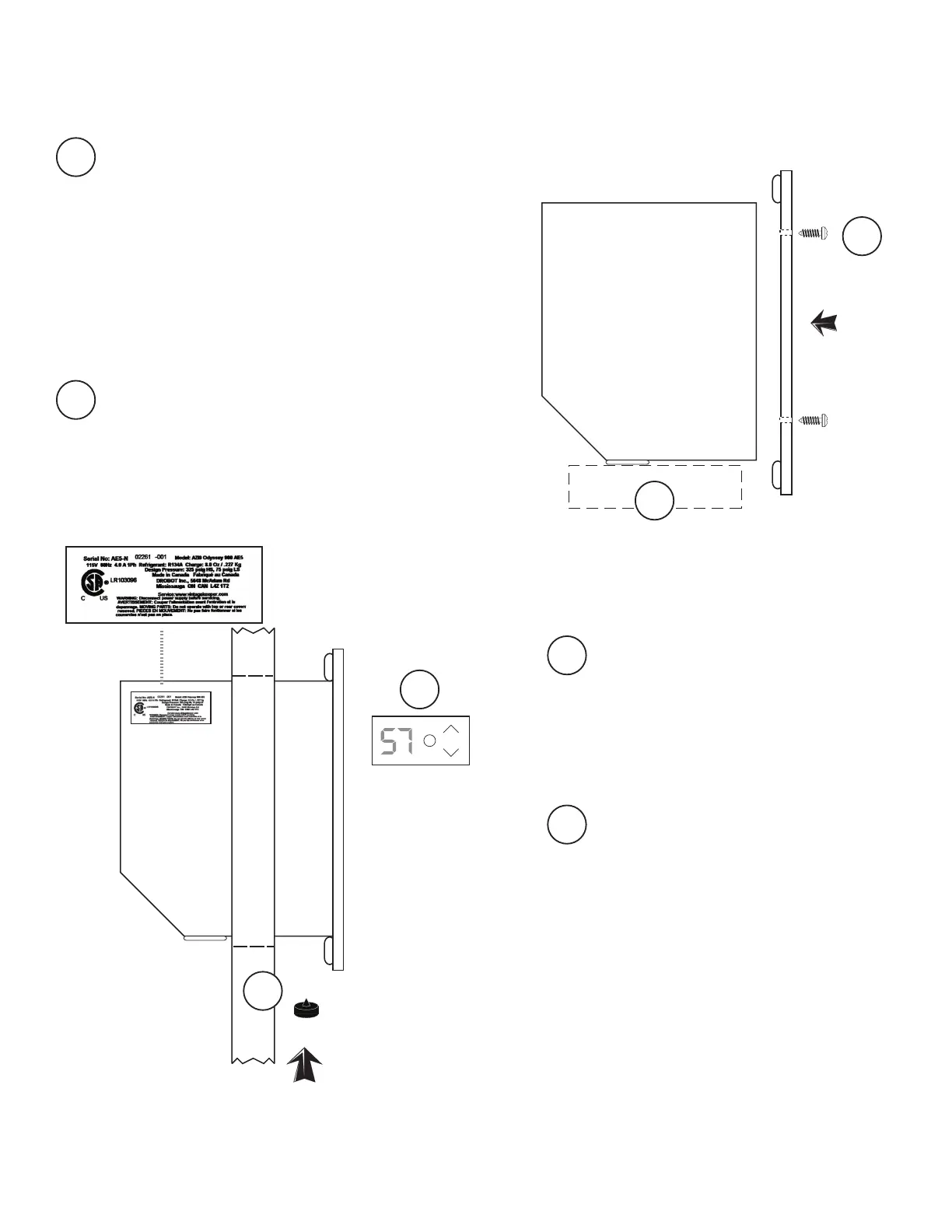
Faceplate
SET
ADJUST
1 OUT 2
Drobot Controls
TM
SERIAL NUMBER
Lift unit carefully and place it on a table
top edge or a thick book.
NOTE :
Fasten the faceplate to the WARM END
with 4 small screws provided.
For model SLIMLINE, faceplate has a
protective coating, which may be peeled
off prior to installation.
1
The end with Control Panel,
power cord and digital sensor is
the COOL END and will extend
INSIDE the enclosure.
The opposite end is the WARM
END, and will mount ush to
OUTSIDE surface of wall.
2
Plug the unit in and test the cooling and
controller functions (see page for opera-
tion instructions).
NOTE:
Lift unit up into cutout opening. With
the assistance of a helper, lift from both
WARM and COOL ENDS to move unit
partly into position.
Install three large rubber bumpers in
holes* on underside of unit near the
WARM END. (Some force may be required;
bumpers are more easily installed with a
twisting motion).
* For Model SLIMLINE, two sets of holes
are provided. If installing through a door,
use the set of holes closest to faceplate.
For installation in other locations (i.e.,
through a wall), use the holes nearer
the middle of the unit.
Copy the serial number to your
warranty registration form. Unit
has a 1-minute delay between
plug-in and start-up .
3
4
1
2
4
3
HOW TO INSTALL YOUR COOLING UNIT

Related product manuals