EasyManua.ls Logo

Viper TC-9 - Page 20

Viper TC-9
24 pages
Print Icon
To Next Page IconTo Next Page
To Next Page IconTo Next Page
To Previous Page IconTo Previous Page
To Previous Page IconTo Previous Page
Loading...
TC-9 Viper ™ Gate System
Residential Sliding Gate Operator
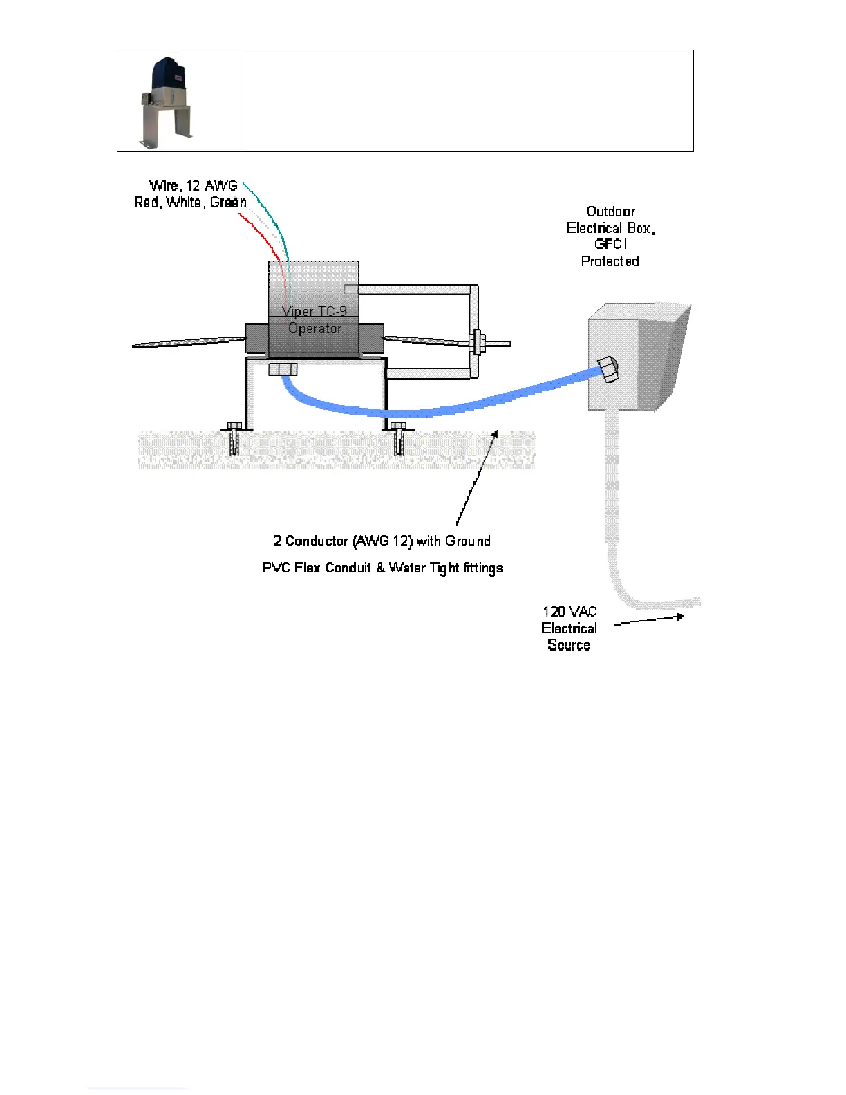
Figure 5 Viper TC-9 Electrical Connection

Related product manuals