EasyManua.ls Logo

Vivotek FD9381-EHTV - Page 9

Vivotek FD9381-EHTV
328 pages
Print Icon
To Next Page IconTo Next Page
To Next Page IconTo Next Page
To Previous Page IconTo Previous Page
To Previous Page IconTo Previous Page
Loading...
VIVOTEK
User's Manual - 9
A
8
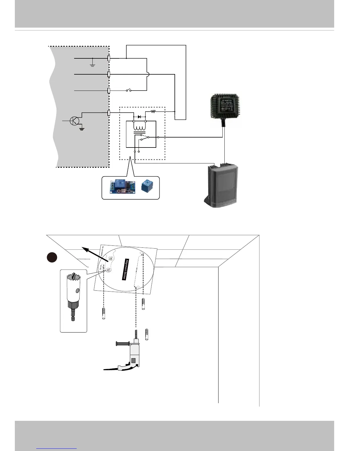
8. Attach the included alignment sticker to a preferred location. Drill holes for mounting
screws and if preferred, drill one or two routing holes.
DI-
DO+
DI+
DO-
VDC
Switch
BJT transistor
Relay
AC
Source
NO NC
External
device

Table of Contents

Other manuals for Vivotek FD9381-EHTV

Related product manuals