EasyManua.ls Logo

ViziT M430C - Page 5

ViziT M430C
7 pages
Print Icon
To Next Page IconTo Next Page
To Next Page IconTo Next Page
To Previous Page IconTo Previous Page
To Previous Page IconTo Previous Page
Loading...
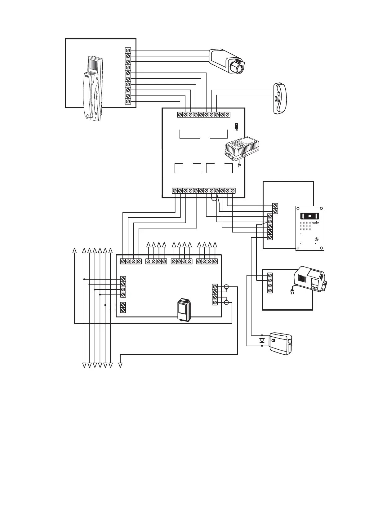
Line from an entrance doorstation
or control unit
HS+
Commutator
BKM-440
HS
-
LN1-
GND
VI2
+E
L1N+
LN2-
VI1
LN2+
Ec1
Ec2
+E
GND
LN-
GND
LN+
+E
DATA
VO1
HS/MON
EQUIV
AB
C
VO2
GND
VO
Ec
GND
+
-
LN
GND
+E
Ec
LC
BVD 406CB-
Individual
doorstation
VO
VG
LN-
GND
LN+
VI1
+E
DATA
Ec1
Ec2
GND
VI2
VO
VG
VG
-18
+18
V1
FA
LN
VG
V2
FB
LN
VG
V3
FC
LN
VG
V4
FD
LN
VG
GND
LINE
SEL
Ek
VI
Electromechanical
lock
-18
+18
+12
-12
Power supply
BPD18/12-1-1
- 430
Monitor
VIZIT M C
Additional handset
UKP-9M or similar
Master monitor
·
·
·
Video signals switching
Intercom priority
Individual doorstation activation
Additional camera
12 VDC, 0.15 A max.
Commutator
BK V-4
82 Ohms resistor should be connected
to VO and VG terminals of the top
commutator BK-4V
To commutatorsnext
BK-4V
To apartmentsnext
Figure 4. Monitor VIZIT-M430C (master) with entrance and individual doorstations

Related product manuals