EasyManua.ls Logo

ViziT M430C - Page 6

ViziT M430C
7 pages
Print Icon
To Next Page IconTo Next Page
To Next Page IconTo Next Page
To Previous Page IconTo Previous Page
To Previous Page IconTo Previous Page
Loading...
LN
+E
Ec
VO
GND
LN
GND
+E
Ec
LC
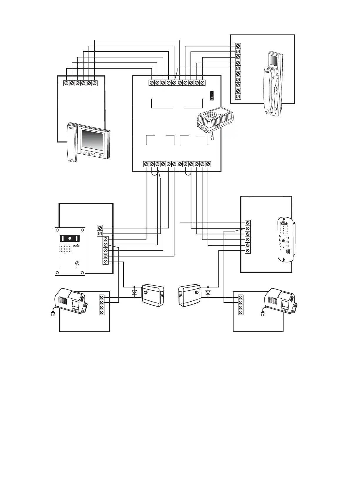
Doorstation
BVD 406CB-
VO
VG
LN-
GND
LN+
+E
DATA
VI
- 460VIZIT MT CM
AWAY
R
E
C
MEN
U
-18
+18
+12
-12
HS+
HS
-
LN1-
GND
VI2
+E
L1N+
LN2-
VI1
LN2+
Ec1
Ec2
+E
GND
LN-
GND
LN+
+E
DATA
VO1
HS/MON
EQUIV
AB
C
VO2
GND
-18
+18
+12
-12
LN-
GND
LN+
VI1
+E
DATA
Ec1
Ec2
GND
VI2
- 430
Monitor
VIZIT M C
Additional
monitor
Master monitor
·
·
·
Video signals switching
Intercom priority
Individual doorstation activation
Commutator
BKM-440
Electromechanical
lock
Power supply
BPD18/12-1-1
Power supply
BPD18/12-1-1
Electromechanical
lock
Doorstation
BVD 401CB-
Figure 5. Monitor VIZIT-M430C (additional) with two individual doorstations

Related product manuals