EasyManua.ls Logo

ViziT M430C - Page 7

ViziT M430C
7 pages
Print Icon
To Previous Page IconTo Previous Page
To Previous Page IconTo Previous Page
Loading...
-12
+12
+18
-18
LN
GND
+E
Ec
LC
VO
VG
LN-
GND
LN+
VI1
+E
DATA
Ec1
Ec2
GND
VI2
VO
Ec
GND
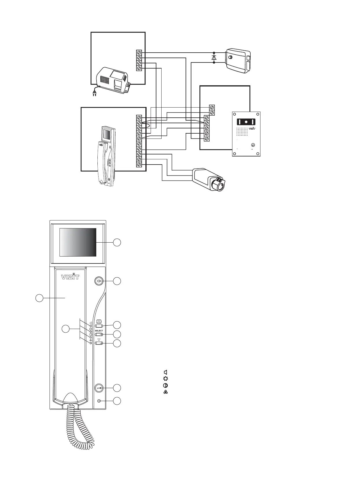
Additional camera
12 VDC, 0.15 A max.
Power supply
BPD18/12-1-1
- 430
Monitor
VIZIT M C
Electromechanical
lock
Doorstation
BVD 406CB-
Figure 6. Monitor VIZIT-M430C with individual doorstation and additional camera.
1
3
4
5
6
8
9
2
7
1. .
2.
3.
4.
5.
6.
7. : -
-
-
-
9.
TFT LCD
button
LEDs volume
Brightness
Contrast
Colour saturation
Mode control
button
button
button
Ringer
SELECT
Handset
Power LED
Increase value /
switch to add. camera
Decrease value
8. DOOR OPEN button
Figure 7. Operating Controls Layout

Related product manuals