EasyManua.ls Logo

Volvo Penta D2-55 - Lubrication System Maintenance; Checking and Topping Up Engine Oil; Changing Engine Oil and Filters

Volvo Penta D2-55
68 pages
Print Icon
To Next Page IconTo Next Page
To Next Page IconTo Next Page
To Previous Page IconTo Previous Page
To Previous Page IconTo Previous Page
Loading...
31
Idling. Adjustment
For engine idling speed: Please refer to the Technical
Data chapter. A lower engine speed can cause the
engine to stall and a higher engine speeds can cause
extra stresses to the drive/reverse when shifting.
Adjust with the engine at operating temperature as
follows:
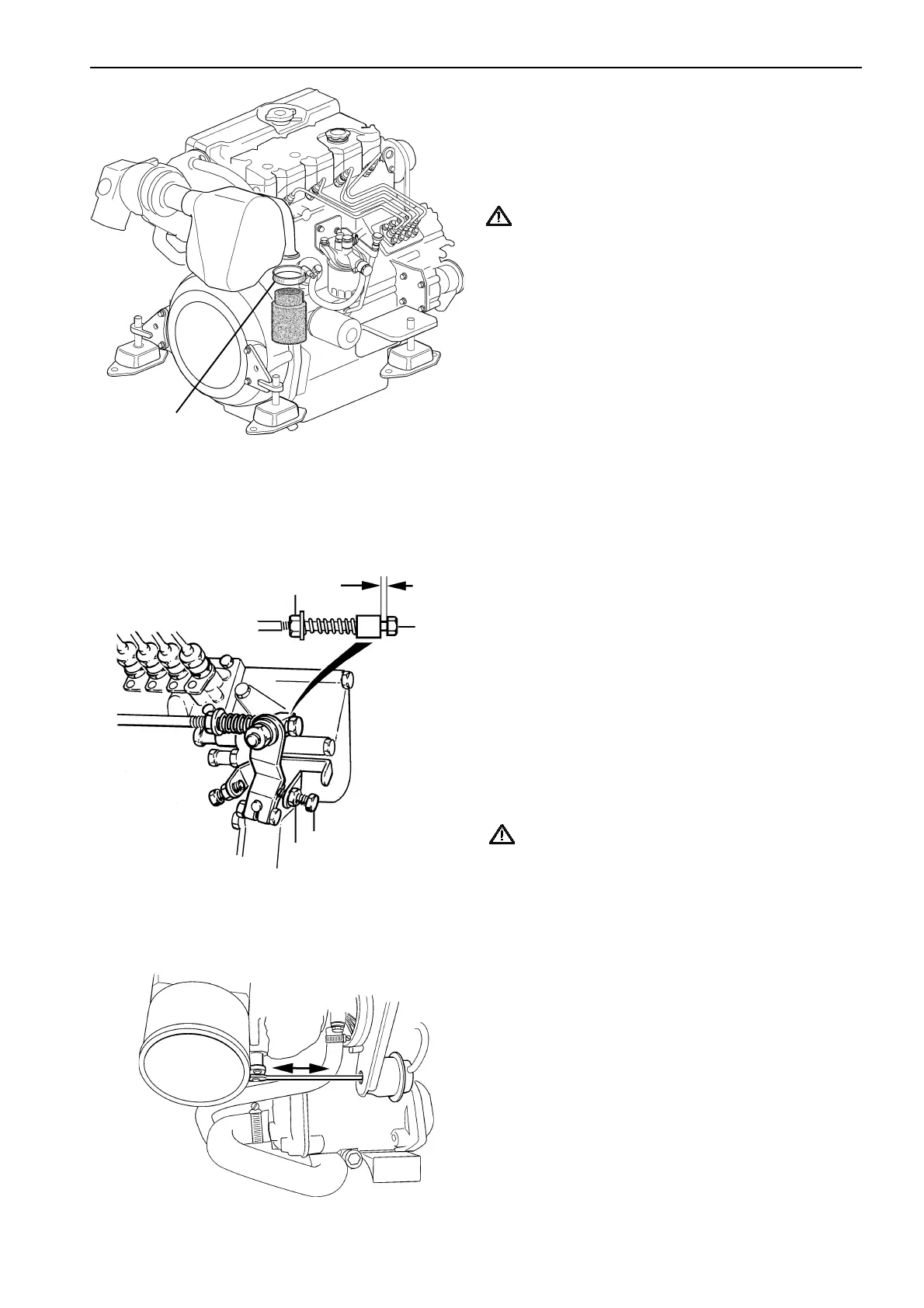
1* Set the control lever in the neutral position. Check
that gap (A) is approx. 3 mm. Adjustment: Slacken
off the locknut (B) and adjust until the correct gap
is obtained with screw (C). Tighten the locknut.
*This point does not apply to boats with double control
positions.
2 Start engine and allow to idle with gear selector in
neutral.
WARNING! Approaching or working on a running
engine is dangerous. Watch out for rotating
components and hot surfaces.
3 Slacken off locknut (D). Adjust engine speed with
adjustment screw (E). Tighten the locknut. Repeat
step 1.
Air Cleaner (ACL). Cleaning
Remove the hose clamp (1) and remove the filter.
Remove the spring inside the filter. Clean the filter as
necessary by washing it in soapy water. Then rinse it
in clean water. Squeeze the filter out and leave it to
dry.
IMPORTANT! Take care that no contaminants
enter the engine.
Maintenance: Engine, general
A
B
D
C
E
1
Wastegate (D2-75)
If the engine is not used for a longer period of time
there is a risk that the turbochargeer boost pressure
valve may stick. Check that the shaft turns.
7742957 - Downloaded from www.volvopenta.com 22/09/2008 11:33:23

Other manuals for Volvo Penta D2-55

Related product manuals