EasyManua.ls Logo

Volvo Penta MD7A - MD7 A Wiring Diagram

Volvo Penta MD7A
44 pages
Print Icon
To Next Page IconTo Next Page
To Next Page IconTo Next Page
To Previous Page IconTo Previous Page
To Previous Page IconTo Previous Page
Loading...
31
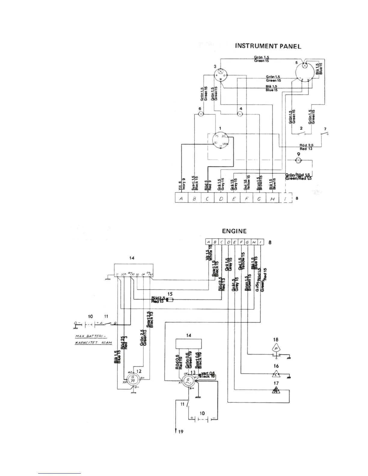
Fig. 83. Wiring diagram for late prod. Type MD6A
1. Key switch
2. Instrument panel switch
3. Temperature gauge
4. Warning light for “low oil pressure”
5. Rev counter
6. Warning light, charging start-generator
7. Switch, optional equipment
8. Terminal board
9. Warning light, charging alternator
(Optional Equipment)
10. Battery
11. Main switch
12. Start-generator
13. Alternator (Optional Equipment)
14. Charging regulator
15. Fuse
16. Temperature sender
17. Rev counter
18. Oil pressure sender
19. Other electrical equipment

Other manuals for Volvo Penta MD7A

Related product manuals