EasyManua.ls Logo

Volvo EC480E - Check Hydraulic Oil Level

Volvo EC480E
462 pages
Print Icon
To Next Page IconTo Next Page
To Next Page IconTo Next Page
To Previous Page IconTo Previous Page
To Previous Page IconTo Previous Page
Loading...
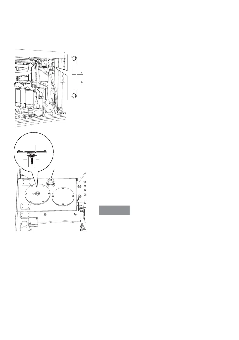
++\GUDXOLHNROLHSHLOFRQWUROHUHQ
&RQWUROHHUKHWROLHSHLORPGHGUDDLXUHQ
3DUNHHUGHPDFKLQHLQRQGHUKRXGVVWDQG%]LH
EODG]LMGH

'XZGHYHLOLJKHLGVEORNNHULQJVKHQGHORPODDJ
RPKHWK\GUDXOLVFKHV\VWHHPWHEORNNHUHQHQ]HW
GHPRWRUDI
2SHQKHW]LMOXLNDDQGHUHFKWHU]LMGHYDQGH
PDFKLQHRPKHWROLHSHLOYDQKHWSHLOJODVWH
NXQQHQDIOH]HQ$OVGHROLHWRWKDOYHUZHJHKHW
SHLOJODVVWDDWLVKHWSHLOLQRUGH
'RHKHWYROJHQGHDOVKHWSHLOWHODDJLV
'UXNRSGHRQWOXFKWLQJ$RPGHLQZHQGLJH
GUXNYDQKHWUHVHUYRLUWHKDOHQ
'UDDLGHERXWHQ%ORV
9HUZLMGHUKHWGHNVHO'HQGHYHHU&
9XOROLHELM2P]RYHHOPRJHOLMNROLHWHNXQQHQ
ELMYXOOHQPRHWXQRJPDDOVRSGHRQWOXFKWLQJ
GUXNNHQ
&RQWUROHHUKHWSHLO
0DDNGHYHUZLMGHUGHRQGHUGHOHQVFKRRQDOV
KHWSHLOLQRUGHLVHQSODDWVGHRQGHUGHOHQWHUXJ
/(723
*HEUXLNGH]HOIGHK\GUDXOLHNROLHGLHLQKHWV\VWHHP
]LW%LMKHWPHQJHQYDQYHUVFKLOOHQGHVRRUWHQ
K\GUDX
OLHNROLHNDQKHWK\GUDXOLVFKHV\VWHHP
EHVFKDGLJGUDNHQ
9
9
%' &
$

2QGHUKRXG
2QGHUKRXGVEHXUWRPGHGUDDLXUHQ

Related product manuals