EasyManua.ls Logo

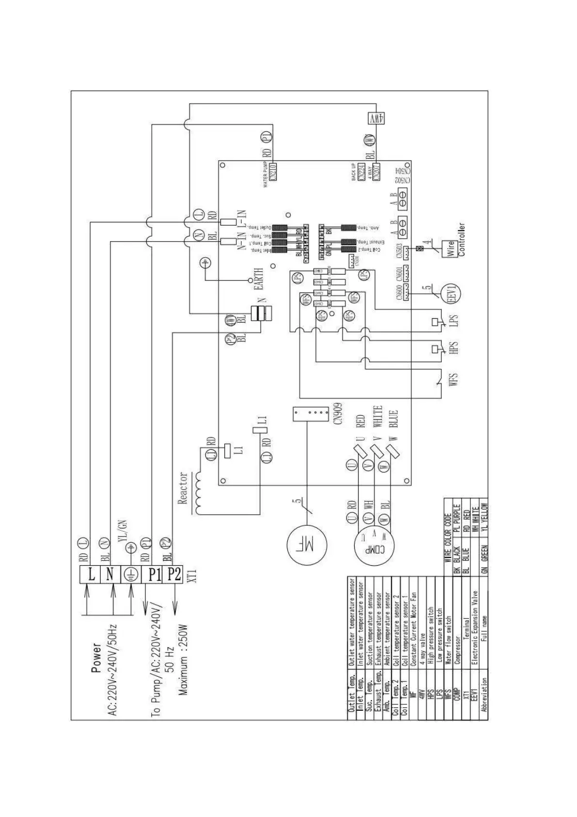
W'eau WFI-007 - Wiring Diagram (WFI-013;017;021)

W'eau WFI-007
32 pages
Print Icon
To Next Page IconTo Next Page
To Next Page IconTo Next Page
To Previous Page IconTo Previous Page
To Previous Page IconTo Previous Page
Loading...
- 11 -
WFI-013/017/021

Related product manuals