EasyManua.ls Logo

Wacker Neuson G 70 - Page 71

Wacker Neuson G 70
92 pages
Print Icon
To Next Page IconTo Next Page
To Next Page IconTo Next Page
To Previous Page IconTo Previous Page
To Previous Page IconTo Previous Page
Loading...
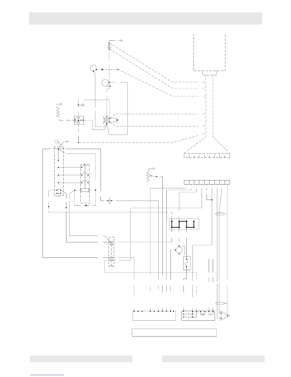
G 50/G 70/G 85 Maintenance
wc_tx000484gb.fm 71
G 85 & G 70 w/ECU Engine Wiring
14
14
B
B
B
-
+
R
R
OR
OR
OR
OR
B+
B+
D+
D+
B+
B+
N2
N2
12
12
R
11
11
86
86
85
85
30
30
B
13
13
GR
GR
65
65
L0
L0
46
46
L1
L1
L2
L2
L2
L2
L3
L3
47
47
79
79
B
Y
C+
C+
B+
B+
50
50
47
47
R
B
R
R
JOHN DEERE
JOHN DEERE
ENGINE ECU
ENGINE ECU
B
W
JD429
JD429
R
62
62
B
+
+
B
-
CRANK DELAY
CRANK DELAY
B SWITCHED
B SWITCHED
START RELAY
START RELAY
21 POSITION
21 POSITION
CONNECTOR
CONNECTOR
A
E
B
G
J
D
V
U
F
A
E
B
G
J
D
V
U
F
ALT / CHARGE
ALT / CHARGE
DASHED LINES ARE PART OF
DASHED LINES ARE PART OF
JOHN DEERE ENGINE HARNESS
JOHN DEERE ENGINE HARNESS
OR
OR
2
OR
OR
45
45
Y
44
44
Y
79
79
LL
LL
60
60
44
44
45
45
Y
OR
OR
20
20
G
NO
NO
46
46
G/Y
G/Y
V
61
61
34
34
G
NO
NO
R
NC
NC
64
64
R
NC
NC
W
B
61
61
10
10
2
1
2
Y
OR
OR
R
51
51
R
20
20
53
53
R
48
48
52
52
52
52
R
49
49
49
49
B+
B+
-
+
+
60
60
62
62
12
12
9
5
53
53
59
59
7
8
6
18
18
5
63
63
1
64
64
4
3
2
BATTERY
BATTERY
Y
G
SH
SH
73
73
75
75
8
7
C
BA
CAN
CAN
J1939
J1939
CRANK
CRANK
RUN/FUEL
RUN/FUEL
REMOTE ANNUNCIATOR
REMOTE ANNUNCIATOR
REMOTE ANNUNCIATOR
REMOTE ANNUNCIATOR
10 A FUSE
10 A FUSE
E-STOP
E-STOP
COLD CRANK
COLD CRANK
DELAY
DELAY
REMOTE START
REMOTE START
FUEL LEVEL
FUEL LEVEL
BATTERY
BATTERY
BATTERY
BATTERY
56
56
3
W
15
15
34
34
56
56
59
59
51
51
HI
HI
63
63
LO
LO
R
R
GR
GR
W / L
W / L
OR
OR
W / V
W / V
B
R
R
Y
V
T
T
wc_gr004614
wc_gr004614
1
2
10
11
16
9
8
3
5
7
12
6
15
13
19
4
17
18
14

Table of Contents

Related product manuals