EasyManua.ls Logo

Waeco Mobitronic ECL-100 - Page 3

Waeco Mobitronic ECL-100
Print Icon
To Next Page IconTo Next Page
To Next Page IconTo Next Page
To Previous Page IconTo Previous Page
To Previous Page IconTo Previous Page
Loading...
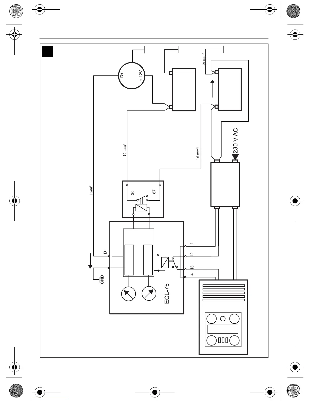
ECL-75, ECL-100
3
Zusatzbatterie
Booster battery
Startbatterie
Starter battery
Einschalten/
Switching ON
Ausschalten/
Switching OFF
EC-1500
UD+
R+
R-
Ue
Ua
ECW-1500
Ubatt
1
ECL-75 (EC-1500)
_ECL-75_100.book Seite 3 Freitag, 22. Juli 2005 5:01 17

Table of Contents

Related product manuals