EasyManua.ls Logo

Waeco Mobitronic ECL-100 - Page 4

Waeco Mobitronic ECL-100
Print Icon
To Next Page IconTo Next Page
To Next Page IconTo Next Page
To Previous Page IconTo Previous Page
To Previous Page IconTo Previous Page
Loading...
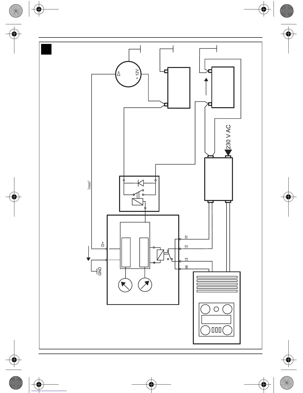
ECL-75, ECL-100
4
Zusatzbatterie
Booster battery
Startbatterie
Starter battery
Einschalten/
Switching ON
Ausschalten/
Switching OFF
EC-2000
UD+
R-
Ue
Ua
ECW-VS
Ubatt
25 mm
2
25 mm
2
25 mm
2
ECL-100
2
ECL-100 (EC-2000)
_ECL-75_100.book Seite 4 Freitag, 22. Juli 2005 5:01 17

Table of Contents

Related product manuals