EasyManua.ls Logo

WAGNER 700 - Wagner 700 s Components

WAGNER 700
Print Icon
To Next Page IconTo Next Page
To Next Page IconTo Next Page
To Previous Page IconTo Previous Page
To Previous Page IconTo Previous Page
Loading...
Seite:23
Wagner GmbH - D-66919 Hermersberg - Telefon (06333) 27 54 - 0 - Telefax (06333) 27 54 - 54
e-mail: info@wagner-hermersberg.de - Internet: wagner-hermersberg.de
Paszfeder B8x5x32
SK-S M12x30
Scheibe R13.5 DIN 440 Form R








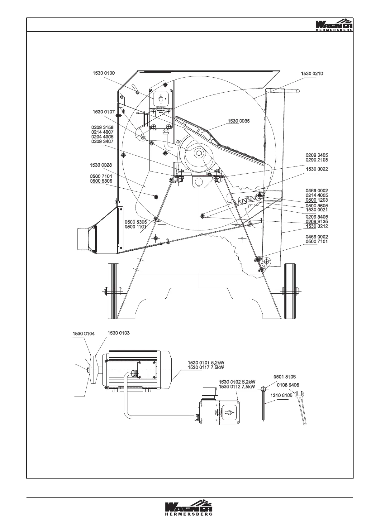
0469 0002
0500 7101
1530 0212
0469 0002
0214 4005
0500 1203
0209 3405
0209 3135
0500 3605
1530 0021
1530 0022
1530 0100
0209 3158
0214 4007
0204 4005
0209 3407
0209 3405
0290 2108
1530 0107
1530 0028
0500 7101
0500 5306
0500 5306
0500 1101
1530 0210
0501 3106
1310 6105
0108 9406
1530 0101 5,2kW
1530 0117 7,5kW
1530 0102 5,2kW
1530 0112 7,5kW
1530 0103
1530 0104
1530 0036
Wagner 700s

Related product manuals