EasyManua.ls Logo

Walchem WebMaster - Typical Installation

Walchem WebMaster
28 pages
Print Icon
To Next Page IconTo Next Page
To Next Page IconTo Next Page
To Previous Page IconTo Previous Page
To Previous Page IconTo Previous Page
Loading...
7
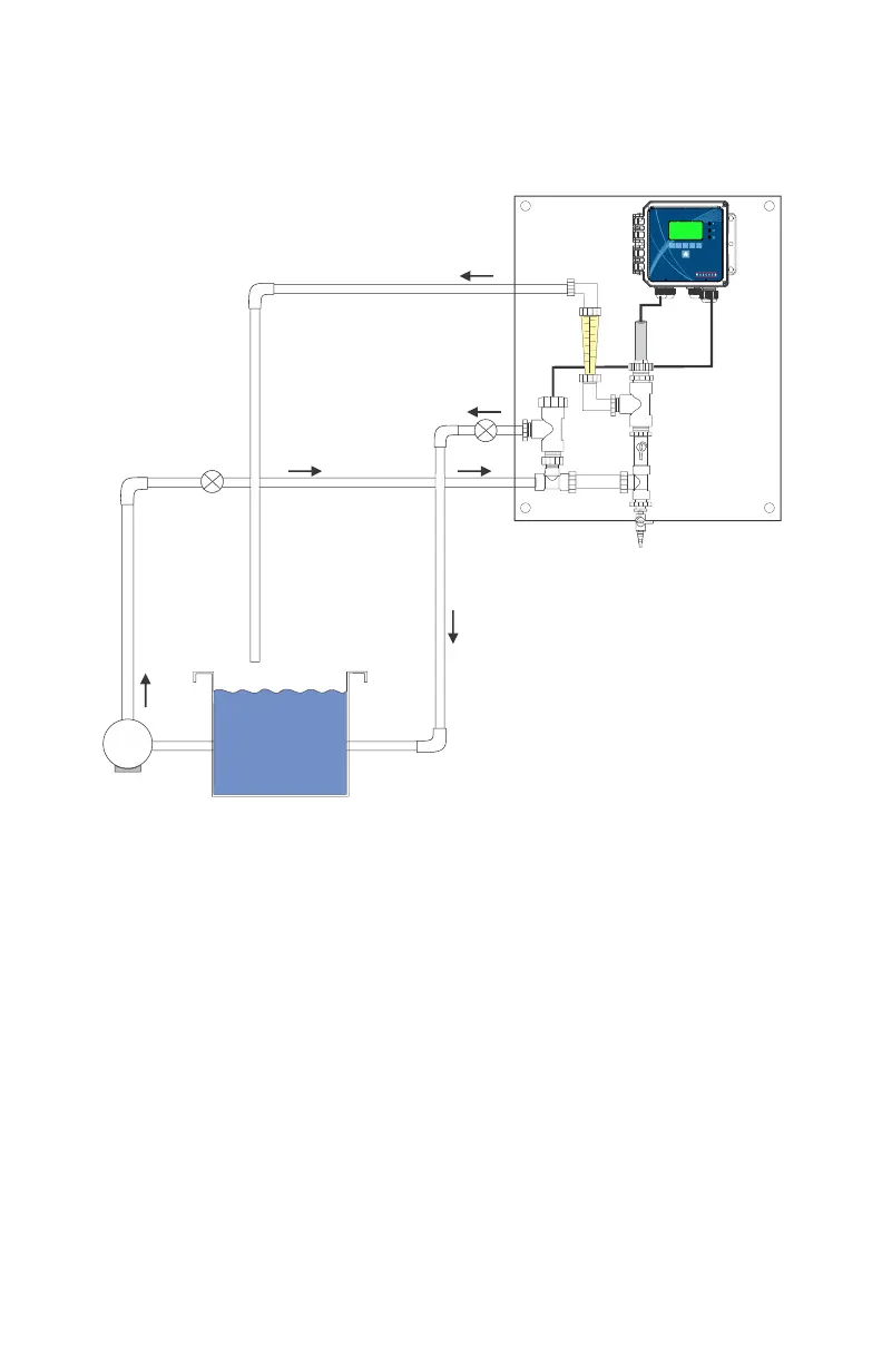
Typical Installation
ISOLATION
VALVE
(NORMALLY
OPEN)
RECIRCULATION
PUMP
ROTAMETER
30-100 LPH
PROCESS WATER
SAMPLE RETURN
1 ATMOSPHERE MAXIMUM
FLOW
SWITCH
SENSOR
FLOW CELL
FLOW
CONTROL
VALVE
SAMPLE
VALVE

Other manuals for Walchem WebMaster

Related product manuals