EasyManua.ls Logo

Walker MB - Page 221

Walker MB
256 pages
Print Icon
To Next Page IconTo Next Page
To Next Page IconTo Next Page
To Previous Page IconTo Previous Page
To Previous Page IconTo Previous Page
Loading...
Page: 5-9
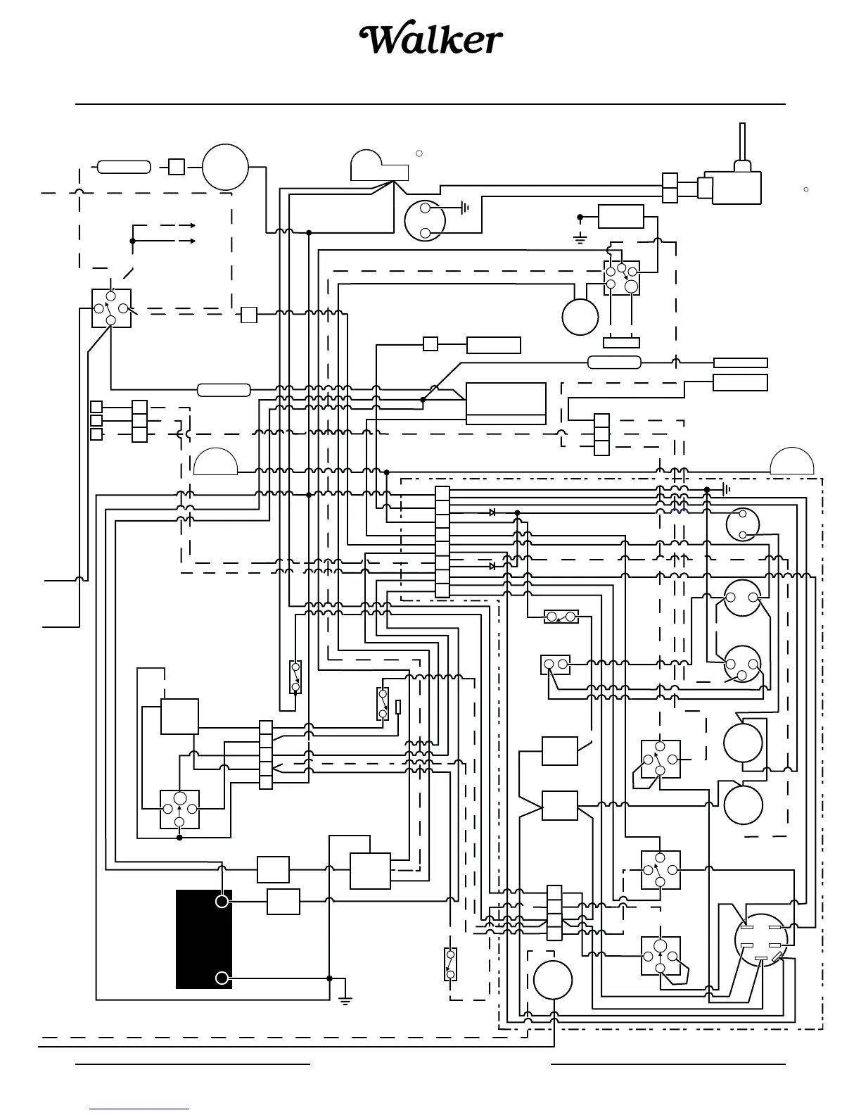
WALKER MANUFACTURING COMPANY
July 2006
SERVICE INSTRUCTIONS
_
+
-
30
85
87
87A
30
85
85
BLK
TO J12/J13
TO J1/J2
RED
RED/WHT
RED/YEL
RED/YEL
RED
GRA
10 AMP FUSE
F2
PUMP
FUEL
20 AMP FUSE
30 AMP FUSE
J17
J16
RED/
WHT
RED/
WHT
BLK
BLK
BLK
85
F1
30
87
RED/YEL
BATTERY
BLKBLK
CHASSIS
GROUND
RED
BLK
RED
RED
BRN
REVERSING
MODULE
GRA
ORG/WHT
RED
BRN
SEAT
SWITCH
RED
GRN
GRN
BRN
BRN
WHT
RED
BLK
WHT
BLK/WHT
RED
RED/YEL
PUR
BRN
GRA
ORG
GRA
GRN
PTO
SWITCH
INTERLOCK
RELAY - E
WHT
RED
BLK
BLK
30
86
BRN/WHT
BRN/WHT
INTERLOCK
NEUTRAL
SWITCH
FSC
87A
PUR
PUR
PUR
PUR
GRN
GRA
BLU/WHT
BLK
BLK
RED/YEL
PUR
PUR
PUR
BLK
BLK
BLK
ORG/BLU
PUR
PUR
BLU
VOLTAGE
METER
OPTIONAL
LIGHTS
OPTIONAL
LIGHT
BLK
ORG
ORG
POWERFIL
MOTOR
RED
RED
PUR
J17
YEL
BLK
GRN GRN
PUR
BLK
GRN
GRN
87
86 85
87A
30
GRA
BLU
BLU
RESISTOR
BRN
ORG/WHT
WHT/ORG
WHT/ORG
WHT/ORGWHT/ORG
FAN
RELAY - D
BLK
SWITCH
ENGINE
WATER TEMP
REGULATOR
GAUGE SENDER
STARTER
STARTER SOLENOID
OIL PRESSURE
BLKRED
BLK
SWITCH
GRASS PAK
HORN
BLU
BLK
GRA
PUR
BLUBLU
BLK/WHT
BLK/WHT
PUR
PUR
PUR
RELAY - C
RELAY - B
RELAY - A
GRA
PUR
PUR
BLK
GRAGRA
RED
RED
RED
RED
BLU/WHT
GRA
YEL
GRA
YEL
YEL
YEL
YEL
BLU/ORG
BLU/ORG
GRN
GRN
PUR
PUR
BRN/WHT
WHT
BLK
BLK
BLK
PUR
PUR
BLU/WHT
BLU
ORG/BLU
ORG/BLU
WHT
WHT
HOUR
LIGHTS
METER
RED
RED
RED
RED
RED
RED
RED
RED
ORG
ORG
ORG
BRN/WHT
RED
RED
HORN
+
WARNING
+
-
R
WATER
TEMP
SWITCH 3/8"
10 AMP
CIRCUIT
BREAKER
7 AMP
CIRCUIT
BREAKER
30 AMP
CIRCUIT
BREAKER
30 AMP
CIRCUIT
BREAKER
OIL
PRESSURE
LIGHT
WATER
LIGHT
TEMP
WATER
TEMP
GI
GI
S
GRN
TIME
DELAY
MODULE
+
R
M
B
A
S1
S2
G
-
86
86
86
CHECK
LIGHT
ENGINE
RED/YEL
RED/YEL RED/YEL
RED/YEL
RED/WHT
RELAY - F
GRA
RED
85
86
87
30
J17
BLU/WHT
BRN/WHT
RED/YEL
J21
P12
P25
P32
LITE
BLU
TAN
RED/YEL

Table of Contents

Related product manuals