EasyManua.ls Logo

Walker MB - Wiring Diagram - Model MW

Walker MB
256 pages
Print Icon
To Next Page IconTo Next Page
To Next Page IconTo Next Page
To Previous Page IconTo Previous Page
To Previous Page IconTo Previous Page
Loading...
Page: 5-14
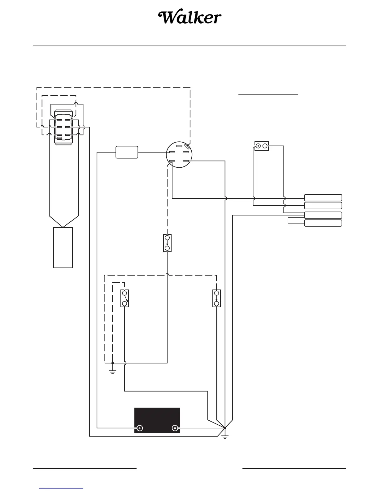
WALKER MANUFACTURING COMPANY
July 2006
SERVICE INSTRUCTIONS
B
A
M
S1
S2
G
10 AMP
CIRCUIT
BREAKER
BATTERY
WALKER MODEL MW
Beginning S/N 2004-68081
S1 = START CIRCUIT
S2 = START/ACCESSORY CIRCUIT
M = MAGNETO GROUND CIRCUIT
B = BATTERY CIRCUIT
A = ACCESSORY CIRCUIT
G = GROUND CIRCUIT
FSC
ACTUATOR
FSC
TOGGLE SWITCH
ENGINE GROUND
RECTIFIER/REGULATOR
MAGNETO
OIL PRESSURE SWITCH
WHT
PUR
BLK
RED
BRN BLU
BRN/WHT
BRN
RED
GRN
RED
BLK
GRA
BLK
BLK
BLK
BLK/GRA
BLK
BLK/WHT
BLK
GRA/WHT
HOUR METER
RED/YEL
RED/YEL
GRN
OPERATOR
PRESENCE
SWITCH
NEUTRAL
SWITCH
PTO
SWITCH
Wiring Diagram - Model MW

Table of Contents

Related product manuals